EasyManua.ls Logo

Trane R-22

Trane R-22
28 pages
To Next Page IconTo Next Page
To Next Page IconTo Next Page
To Previous Page IconTo Previous Page
To Previous Page IconTo Previous Page
Loading...
06691$(1
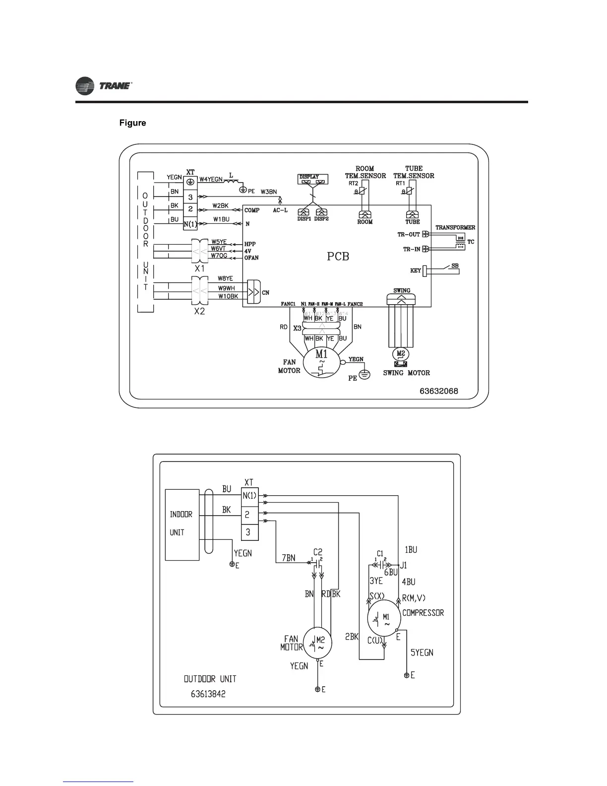
)LJXUH11 2TTK0518GB Cooling only outdoor units)
10. 2MWW0530G1 2MWW0530GB
( Heat pump indoor units)
21

Other manuals for Trane R-22

Related product manuals