EasyManua.ls Logo

Trane R-22

Trane R-22
28 pages
To Next Page IconTo Next Page
To Next Page IconTo Next Page
To Previous Page IconTo Previous Page
To Previous Page IconTo Previous Page
Loading...
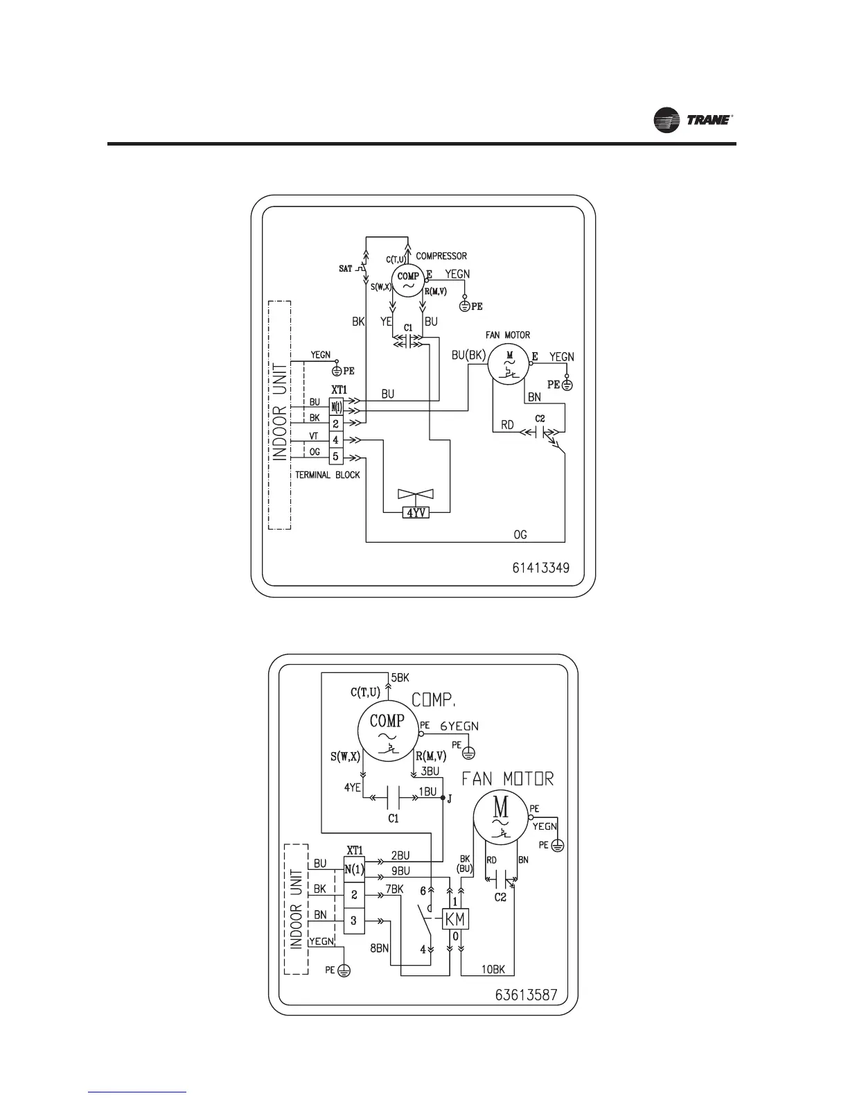
)LJXUH 162TWK0512G9 Heat pump outdoor unit)
)LJXUH 172TTK0524G1 2TTK0524GB Cooling only outdoor unit)
MS-SVN21A-EN
24

Other manuals for Trane R-22

Related product manuals