EasyManua.ls Logo

Trane S8X1B060M4PSC - Page 18

Trane S8X1B060M4PSC
80 pages
Print Icon
To Next Page IconTo Next Page
To Next Page IconTo Next Page
To Previous Page IconTo Previous Page
To Previous Page IconTo Previous Page
Loading...
18
S8XB-SVX001-1A-EN
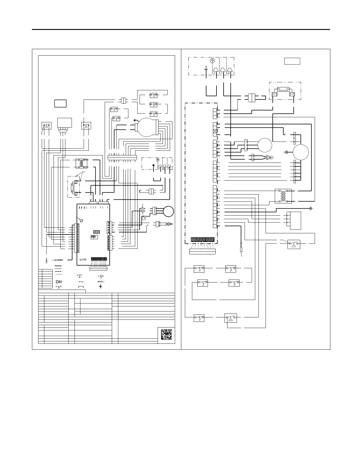
BK BLACK
WH WHITE
YL YELLOW
OR ORANGE
GR GREEN
BR BROWN
RD
RED
BL BLUE
YL/44
YL/43
WH/40
WH/40
BK/39
BK/39
BK/WH/38
YL/WH/36
OR/WH/55
BL/WH/37
YL/46
YL/46
YL/52
YL/52
WH/16
WH/16
BK/28
BK/28
BK/WH/26
BK/WH/26
YL/WH/24
YL/WH/24
RD/WH/23
RD/WH/23
BL/57
BL/57
BK/14
BK/14
WH/17
WH/17
WH/15
WH/15
WH/21
WH/21
BK/22
BK/22
WH/20
RD/19
BK/18
BL/2
BL/2
YL/3
YL/3
BL/5
BL/5
RD/6
RD/6
BR/7
BR/7
BR/53
BR/53
RD/9
RD/9
GR/8
BR/10
BR/10
WH/12
YL/50
YL/50
YL/49
YL/49
BK/13
BK/13
GR/YL/31
GR/YL/31
YL/51
YL/51
YL/48
YL/48
BK/29
BK/29
OR/11
OR/11
YL/47
YL/47
BOX HARN
TO BURNER
BK/30
BURNER BOX GND
NOTES:
1. IF ANY OF THE ORIGINAL WIRING AS SUPPLIED WITH THIS FURNACE MUST BE REPLACED, IT MUST BE WITH WIRE HAVING A TEMPERATURE RATING OF AT
LEAST 105°C. WIRES 12, 18, 48, 49, 50, 51, 92, 93, AND 94 REQUIRE A TEMPERATURE RATING OF AT LEAST 250°C.
2.
FOR PROPER AIRFLOW IN COOLING/HEAT PUMP MODES, Y1AND/OR Y2 MUST CONNECT FROM THE THERMOSTAT TO THE IFC LOW VOLTAGE TERMINAL STRIP.
3. FOR COOLING ONLY SYSTEMS, LEAVE Y1-O JUMPER IN PLACE ON THE IFC FOR CORRECT LED READOUT.
4. FOR HEAT PUMP SYSTEMS, REMOVE THE Y1-O JUMPER, CONNECT "O" FROM THE THERMOSTAT TO "O" ON THE IFC LOW VOLTAGETERMINAL
STRIP FOR CORRECT LED READOUT.
5. IF USING A SINGLE STAGE HEATING THERMOSTAT, JUMPER W1 AND W2 TERMINALS AT THE LOW VOLTAGE TERMINAL STRIP. HT2 WILL
BE SHOWN ON THE SEVEN SEGMENT DISPLAY AT ALL TIMES. SECOND STAGE OPERATION WILL BEGIN AFTER THE INTERSTAGE DELAY HAS COMPLETED.
6. AIRFLOW TABLES ARE LOCATED IN THE SERVICE FACTS. TO CHANGE AIRFLO
W, REFER TO THE NTEGRATED FURNACE CONTROL MENU AND OPTIONS
TO SET AIRFLOW AND BLOWER DELAYS.
7. LINE CHOKE AND WIRE BK/28 ONLY USED ON MODELS WITH 1 HP MOTORS.
8. WIRE YL/45 AND RAF-2 ARE NOT PRESENT ON DOWNFLOW MODELS.
9. FLAME SENSE TEST PADS: 1 VDC = 1 MICROAMP. FLAME CURRENT CAN VARY DEPENDING ON THE VOM THAT
IS USED AND THE VOLTAGE SUPPLIED TO THE FURNACE. THE ACCEPTABLE RANGE IS 0.75-3 MICROAMPS.
SEE NOTES 2, 3, 4, 5
BK/27
ELECTRICAL RATING
INPUT: 24 VAC, 60 HZ.
TNS SEC. CURRENT: 450 MA.
+ MV LOAD
MV OUTPUT: 1.5A @ 24 VAC
IND OUTPUT: 2.2 FLA, 3.5 LRA
@ 120 VAC
IGN OUTPUT: 2.0 A @ 120 VAC
CIRC. BLOWER OUTPUT: 14.5 FLA,
25 LRA @ 120 VAC
HUMIDIFIER @& AIR CLEANER
(DRY CONTACTS)
MAX. LOAD: 1.0 A @ 120 VAC
24 VAC OR 120 VAC MAY BE USED
FUSE: 5A
INTEGRATED FURNACE CONTROL
LINE
24 V
LINE
24 V
FIELD
WIRING
FACTORY
WIRING
RAF REVERSE
AIR FLOW
PS PRESSURE
SWITCH
FRS FLAME
ROLLOUT SWITCH
FP FLAME PROBE
IGN HOT SURFACE
IGNITER
** INTERNAL THERMAL PROTECTION
FUSE
LC LINE CHOKE
GROUND
SEE NOTE 9
PANEL LOOP
H LINE
N NEUTRAL
GND GROUND
HLO HIGH LIMIT OUTPUT
HLI HIGH LIMIT INPUT
PS1 1ST STAGE PRESSURE
INPUT
PS2 2ND STAGE PRESSURE
INPUT
IND INDUCER
IFC INTEGRATED FURNACE
CONTROL
RAF REVERSE AIR FLOW
TH 24VAC (HOT)
TR 24VAC (COMMON)
MVC VALVE COMMON
MVL VALVE LOW STAGE
MVH VALVE HIGH STAGE
TNS TRANSFORMER
ILI INDUCER LIMIT INPUT
IGN IGNITER
FP FLAME PROBE
HI SECOND STAGE
LO FIRST STAGE
YL/45
YL/45
SEE NOTE 7
BL/42
BL/42
RD/WH/35
BL/WH/25
BL/WH/25
OR/WH/56
OR/WH/56
TIMINGS
PREPURGE: 0 SEC.
INTERPURGE: 60 SEC.
POST PURGE: 5 SEC.
IGN WARMUP: 20 SEC.
IAP: 3; TFI: 5 SEC.
RETRIES: 2 RECYCLES: 10
HEAT ON DELAY: 30 SEC.
COOL ON DELAY: 0 SEC.
AUTO RESTART: 60 MIN.
AUTO RESTART PURGE: 60 SEC.
2 Stage Inducer with CTM Blower Motor
D345847P01 REV E
dOH
IdL
Idle
dsI
Ht1
1st Stage Heating
POC
Ht2
2nd Stage Heating
tP
Blower Tap Number
COF
Continuous Fan
CL1
1st Stage Cooling
HtP
Blower Tap for 1st Stage Heating
CL2
2nd Stage Cooling Blower Tap for 2nd dtage Heating
HP1
1st Stage Heat Pump
nUr
HP2
2nd Stage Heat Pump
E09
dft
Defrost Mode
Orn
Orientation
Err
Active Alarm Menu
L6F
Last 6 Faults (To Clear,
Hold Option Button 5 sec)
Cr
Code Release Number
COd
Cooling Off Delay (sec)
E12
Open fuse
OdU
Outdoor Unit Type
Voltage reversed polarity
1st stage gas valve (MVL) is energized when it should be off
Flame current is low, but still strong enough to allow operation
Open Inducer Limit Switch or Condensate Switch
(5) 2nd stage gas valve not energized
when it should be
(4) 2nd stage gas valve energized
when it should not be
Error Codes
Heat Off Delay (sec)
Inter-Stage Delay
Loss of IRQ or internal failures
Recycles exceeded (loss of established
flame or PS open x10)
Open Thermal Limit, Rollout Switch, or Reverse Airflow Switch
(2) 1st stage gas valve relay stuck closed
Status Codes
Menu Options
Flame detected, should not be present
Open Pressure Switch, 2nd Stage
Bad Grounding
(1) Igniter relay fails
(2) Igniter open
(1) 1st stage gas valve not energized when it should be
Blower Tap for 1st Stage
Compressor Mode
Blower Tap for 2nd Stage
Compressor Mode
Retry exceeded (Failed to est flame)
Run Test Mode
Open Pressure Switch, 1st Stage
Shorted Pressure Switch, 1st Stage
(3) 2nd stage gas valve relay stuck closed
Shorted Pressure Switch, 2nd Stage
1st Stage Gas Valve not energized when it
should be exceeded after 10 times
BUTT SPLICE-WITH HEAT SHRINK
BUTT SPLICE-WITH HEAT SHRINK
BK/9
2
BLOWER
HOUSING
GND
X
X
24v
120v
TNS
VENT
MOTOR
(INDUCER)
**
GAS
VALVE
1
2
3
RAF-1
IGN
PS1
PS2
X
THERMAL_LIMIT
FLAME_ROLLOUT2
FLAME_ROLLOUT1
FLAME_PROBE
LINE CHOKE
FP
HLI
MVH
MVL
GND
PS2
TH
MVC
HLO
PS1
TR
ILI (NOT USED)
TNS-H
CIRC-H
LINE-H
LINE-N
(blocked)
CIRC-N
TNS-N
IGN-N
IND-N
IND-LO
IND-HI
IGN-H
IFC
EAC
HUM
LINE
NEUTRAL
4
3
W2 W1 R G
B/C
Y2
Y1
O
THERMOSTAT
FP
1
2
1
2
3
MENU OPTION
TAP1
TAP2
TAP3
TAP4
TAP5
GND
24 / 120 VAC
MAY BE USED
1
2
3
12
11
10
9
8
7
6
5
4
3
2
1
1
2
3
4
5
1
2
2
1
1
2
JUNCTION BOX
120v 60 Hz. 1 PH
POWER SUPPLY PER LOCAL CODE
H N
GND
X
RAF-2
121110987654321
1 2 3 4 5 6 7 8 9 10 11 12
6
5
4
3
2
1
2
1
1
2
123
1234
1 2 3
BLOWER
MOTOR
N
G
L
COM
1
2
3
4
5
6
1
2
3
S1
1
2
S2
1
2
S3
1
2
C1
.2C
H1
.2H
E21
E2
.
2
E01
E2
.
3
E3
.
1
E3
.
2
E3
.
3
E3
.
4
E04
E05
E6
.
1
E6
.
2
E6
.
3
E7
.1
E08
E11
SEE NOTE 1
SEE NOTE 1
*SEE NOTE
8
.
S8X2
.
.
.
.
RD/WHRD/WH
YL/WH YL/WH
BK/WH BK/WH
BL/WHBL/WH
BR
BR
BL
BL
RDRD
YL
YL
YL
BK
RD
WH
GR/YL
GR/YL
YL
GR
YL
YL
YL
WH WH
BK
BK
WH
WH
BK
BK
BK
BK
BK
BK
BL
RD
BR
BR
BR
BR
BK
BK
WH
WH
YL
YL
OR
OR
WH
BURNER
BOX GND
BK
BK
BK
PANEL LOOP
YL
OR/WH OR/WH
BL BL
DEFAULT BLOWER MOTOR TAP SELECTIONS
COF (CONSTANT FAN)
: TAP 1
CL1 (FIRST STAGE COOLING): TAP 3
CL2 (SECOND STAGE COOLING): TAP 7
HT1 (FIRST STAGE HEAT): TAP 2
HT2 (SECOND STAGE HEAT): TAP 5
WH
WH
VENT
MOTOR
(INDUCER)
**
1
2
3
IGN
ILI
TR
PS1
HLO
MVC
TH
PS2
GND
MVL
MVH
HLI
FP
W2 W1 R G
B/C
Y2
Y1
O
THERMOSTAT
LINE-H
CIRC-H
TNS-H
TNS-N
CIRC-N
LINE-N
IGN-H
IND-HI
IND-LO
IND-N
IGN-N
TAP1
TAP2
TAP3
TAP4
TAP5
GND
1
2
3
4
5
6
7
8
9
10
11
12
1
2
3
4
5
6
1
2
3
4
5
4
3
1
3
2
1
IFC
JUNCTION BOX
120v 60 Hz. 1 PH
POWER SUPPLY PER LOCAL CODE
H N
GND
LINE CHOKE
24v
120v
TNS
GAS
VALVE
1
2
3
FLAME_ROLLOUT1
FLAME_ROLLOUT2
RAF-1
THERMAL_LIMIT
PS2
PS1
FLAME PROBE
1
2
RAF-2
BLOWER
MOTOR
N
4
3
2
1
G
L
5
COM
2
1
S8X2
WWiirriinngg DDiiaaggrraammss

Related product manuals