EasyManua.ls Logo

Trane TCONT724AS42DAA - Page 22

Trane TCONT724AS42DAA
40 pages
Print Icon
To Next Page IconTo Next Page
To Next Page IconTo Next Page
To Previous Page IconTo Previous Page
To Previous Page IconTo Previous Page
Loading...
22
18-HD82D1-1B-EN
Non-VS
Air Handler &
Electric Heat
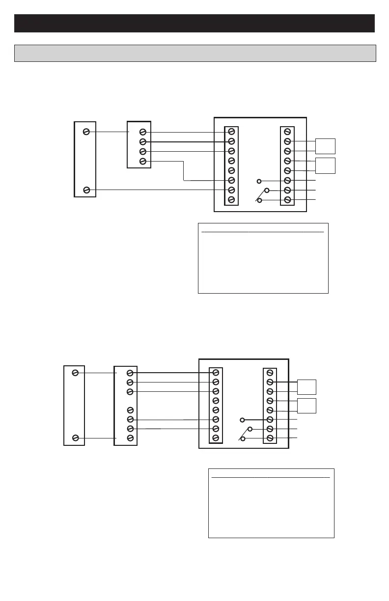
Heat/Cool Diagram 5: 1 Stage Cooling w/GAF2-S Model Air Handler
G
W1
R
B/C
One Stage
Cooling Only
Y
B
Sensor Options in the Installer Settings/Sensor Settings menu
Remote Sensor (connect to the RS terminals)
- None
- Replaces internal sensor
- Average with internal sensor
Outdoor Temp Sensor (connect to the ODT terminals)
- None
- Outdoor
Caution: Do not run sensor wires in the same bundle with HVAC
wires. Keep away from high voltage wiring to avoid interference.
Remote Temperature Sensor Connections and Operation:
Aux relay
outputs
RS
C
RS
R
ODT
W1
W2
BK
ODT
NO
C
Y1
NC
Y2
O/B
G
Thermostat Connection
Outdoor
Sensor
Remote
Sensor
Heat/Cool Diagram 6: 1 Stage cooling w/GAF2-36M Model Air Handler
G
W1
YI (In)
R
B/C
Y
B
Notes:
1. “YI” and “YO” connections must be made as shown for freeze
protection and internally mounted condensate overflow circuits to
work properly
2. If third party condensate overflow switches are installed, they
should be wired between “Y1” of the thermostat and “YI” of the
airflow control board
Sensor Options in the Installer Settings/Sensor Settings menu
Remote Sensor (connect to the RS terminals)
- None
- Replaces internal sensor
- Average with internal sensor
Outdoor Temp Sensor (connect to the ODT terminals)
- None
- Outdoor
Caution: Do not run sensor wires in the same bundle with HVAC
wires. Keep away from high voltage wiring to avoid interference.
Remote Temperature Sensor Connections and Operation:
Aux relay
outputs
RS
C
RS
R
ODT
W1
W2
BK
ODT
NO
C
Y1
NC
Y2
O/B
G
Thermostat Connection
Outdoor
Sensor
Remote
Sensor
YO
Non-VS
Air Handler &
Electric Heat
One Stage
Cooling Only
O
(Note 1) (Note 2)
Heat/Cool Wiring Diagrams
XR724 INSTALLER’S GUIDE

Related product manuals