EasyManua.ls Logo

Trane TCONT724AS42DAA - Dual Fuel Wiring Diagrams

Trane TCONT724AS42DAA
40 pages
Print Icon
To Next Page IconTo Next Page
To Next Page IconTo Next Page
To Previous Page IconTo Previous Page
To Previous Page IconTo Previous Page
Loading...
34
18-HD82D1-1B-EN
Two Stage Variable
Speed Gas Furnace
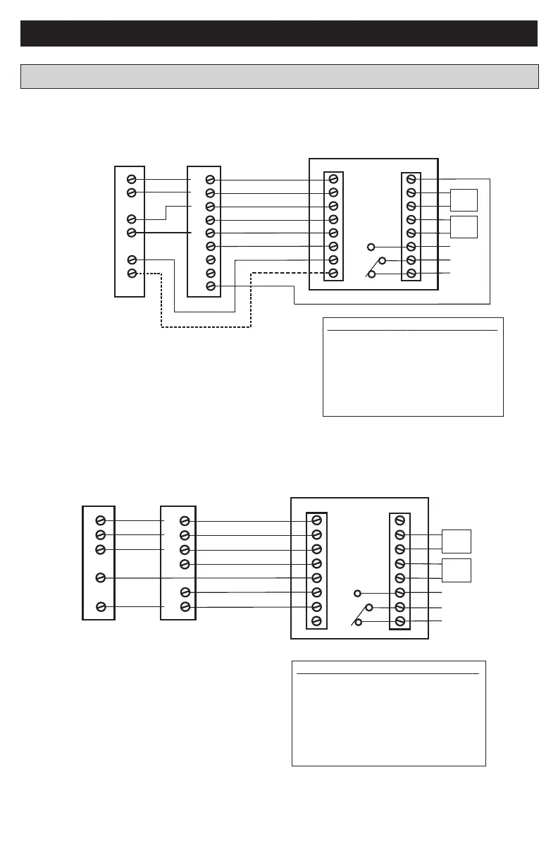
Dual Fuel Diagram 1: 1 or 2 Stage Heat Pump w/Variable Speed Gas Furnace
G
W1
Y1
R
B/C
Y2
BK
W2
One or Two stage
Heat Pump
Y 1
R
B
Y2
Notes:
1. Cut/remove the factory installed “BK” jumper at the indoor unit
2. For non-Trane/American Standard Indoor units “BK” is not
connected and “Y1”/”Y2” must be connected at indoor unit.
3. Outdoor Sensor required for dual fuel restricted mode.
Sensor Options in the Installer Settings/Sensor Settings menu
Remote Sensor (connect to the RS terminals)
- None
- Replaces internal sensor
- Average with internal sensor
Outdoor Temp Sensor (connect to the ODT terminals)
- None
- Outdoor
Caution: Do not run sensor wires in the same bundle with HVAC
wires. Keep away from high voltage wiring to avoid interference.
Remote Temperature Sensor Connections and Operation:
Aux relay
outputs
RS
C
RS
R
ODT
W1
W2
BK
ODT
NO
C
Y1
NC
Y2
O/B
G
Thermostat Connection
Outdoor
Sensor
Remote
Sensor
O
O
X2
(Note 1)
(Note 2)
(Note 3)
Non-VS One or Two
Stage Gas Furnace
Dual Fuel Diagram 2: 1 Stage Heat Pump w/non-Variable Speed Gas Furnace
G
W1
Y
R
B/C
W2
Single Stage
Heat Pump
Y
R
B
Sensor Options in the Installer Settings/Sensor Settings menu
Remote Sensor (connect to the RS terminals)
- None
- Replaces internal sensor
- Average with internal sensor
Outdoor Temp Sensor (connect to the ODT terminals)
- None
- Outdoor
Caution: Do not run sensor wires in the same bundle with HVAC
wires. Keep away from high voltage wiring to avoid interference.
Remote Temperature Sensor Connections and Operation:
Aux relay
outputs
RS
C
RS
R
ODT
W1
W2
BK
ODT
NO
C
Y1
NC
Y2
O/B
G
Thermostat Connection
Outdoor
Sensor
Remote
Sensor
O
X2
Note:
1. Outdoor Sensor required for dual fuel restricted mode.
(Note 1)
Dual Fuel Wiring Diagrams
XR724 INSTALLER’S GUIDE

Related product manuals