EasyManua.ls Logo

Trane TCONT724AS42DAA - Page 35

Trane TCONT724AS42DAA
40 pages
Print Icon
To Next Page IconTo Next Page
To Next Page IconTo Next Page
To Previous Page IconTo Previous Page
To Previous Page IconTo Previous Page
Loading...
35
18-HD82D1-1B-EN
Variable Speed
Oil Furnace
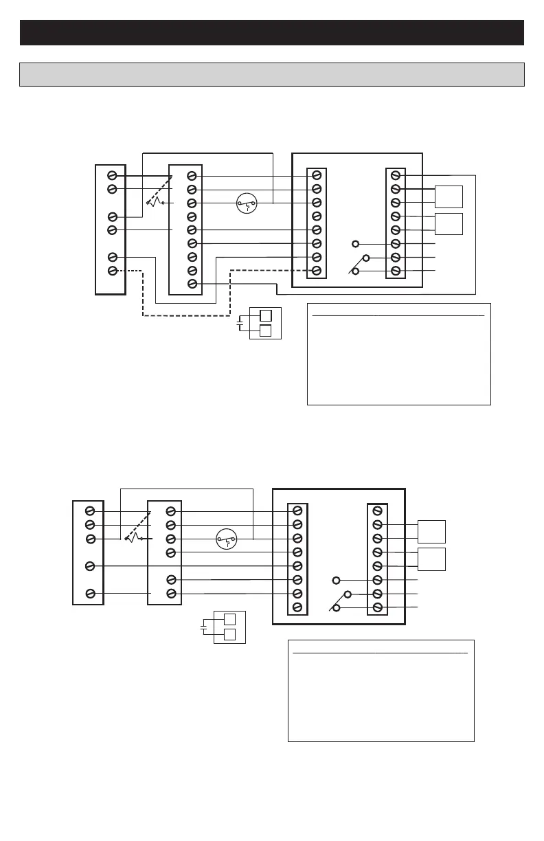
Dual Fuel Diagram 3: 1 or 2 Stage Heat Pump w/Variable Speed Oil Furnace
G
W1
Y1
R
B/C
Y2
BK
W2
One or Two Stage
Heat Pump
Y 1
R
B
Y2
Notes:
1. Cut/remove the factory installed “BK” jumper at the indoor unit
2. BT (Bonnet Thermostat) model THT1248 required for
dual fuel, oil furnace applications
3. For non-Trane/American Standard indoor units “BK” is not
connected and “Y1”/”Y2” must be connect at indoor unit
4. Field supplied relay (R1) required for oil burner primary
Sensor Options in the Installer Settings/Sensor Settings menu
Remote Sensor (connect to the RS terminals)
- None
- Replaces internal sensor
- Average with internal sensor
Outdoor Temp Sensor (connect to the ODT terminals)
- None
- Outdoor
Caution: Do not run sensor wires in the same bundle with HVAC
wires. Keep away from high voltage wiring to avoid interference.
Remote Temperature Sensor Connections and Operation:
BT
Aux relay
outputs
RS
C
RS
R
ODT
W1
W2
BK
ODT
NO
C
Y1
NC
Y2
O/B
G
Thermostat Connection
Outdoor
Sensor
Remote
Sensor
O
X2
O
T
T
R1
Oil Burner Primary
R1
(Note 2)
(Note 1)
(Note 3)
(Note 4)
(Note 4)
Non-Variable Speed
Oil Furnace
Dual Fuel Diagram 4 : 1 Stage Heat Pump w/non-Variable Speed Oil Furnace
G
W1
Y
R
B/C
W2
Single Stage
Heat Pump
Y
R
B
Notes:
1. BT (Bonnet Thermostat) model THT1248
required for dual fuel, oil furnace applications
2. Field supplied relay (R1) required for oil burner primary
Sensor Options in the Installer Settings/Sensor Settings menu
Remote Sensor (connect to the RS terminals)
- None
- Replaces internal sensor
- Average with internal sensor
Outdoor Temp Sensor (connect to the ODT terminals)
- None
- Outdoor
Caution: Do not run sensor wires in the same bundle with HVAC
wires. Keep away from high voltage wiring to avoid interference.
Remote Temperature Sensor Connections and Operation:
BT
Aux relay
outputs
RS
C
RS
R
ODT
W1
W2
BK
ODT
NO
C
Y1
NC
Y2
O/B
G
Thermostat Connection
Outdoor
Sensor
Remote
Sensor
X2
O
T
T
R1
Oil Burner Primary
R1
(Note 1)
(Note 2)
(Note 2)
Dual Fuel Wiring Diagrams
XR724 INSTALLER’S GUIDE

Related product manuals