EasyManua.ls Logo

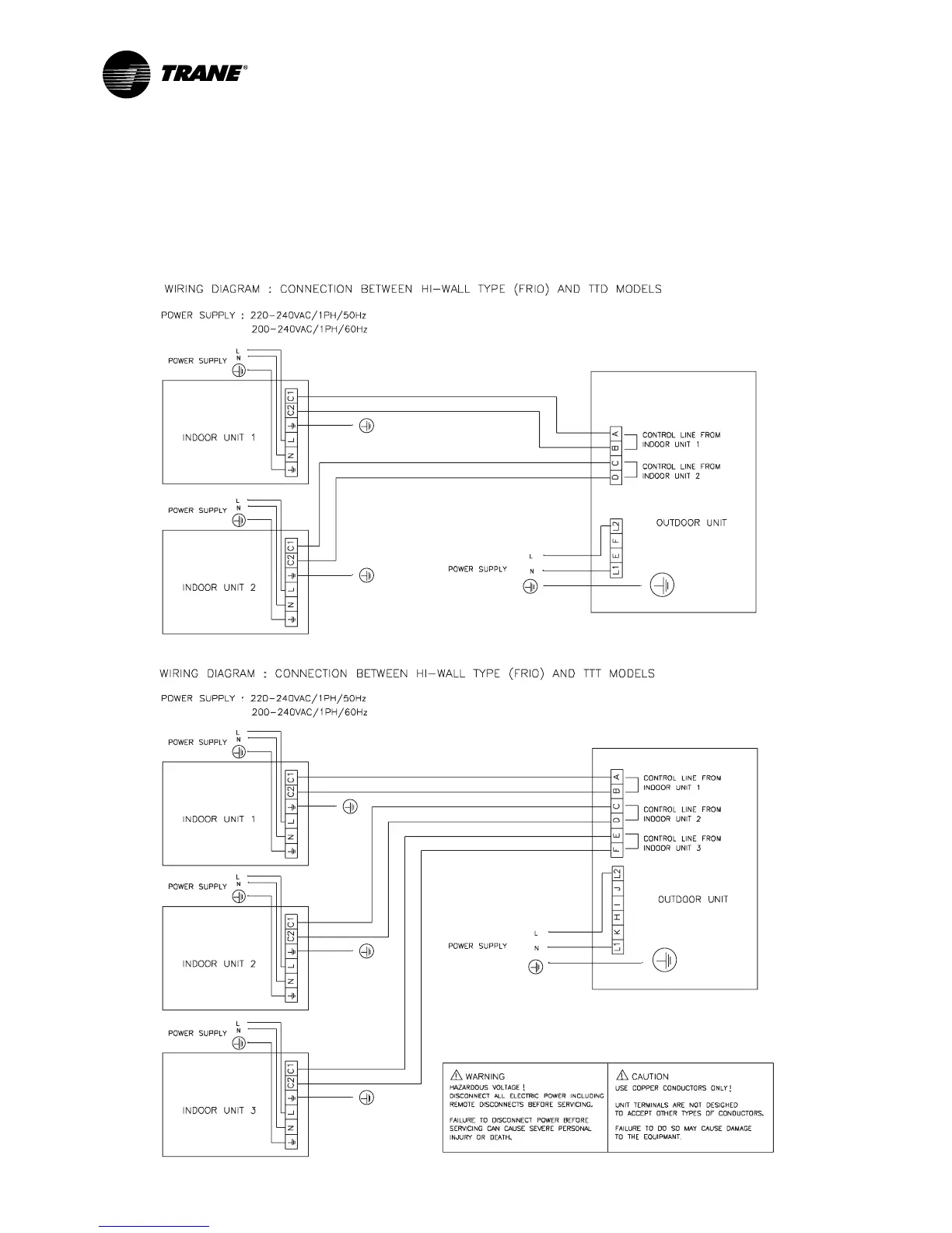
Trane TTD Series - Wiring Diagram: Hi-Wall (Frio) TTD Models; Wiring Diagram: Hi-Wall (Frio) TTT Models

Trane TTD Series
20 pages
Print Icon
To Next Page IconTo Next Page
To Next Page IconTo Next Page
To Previous Page IconTo Previous Page
To Previous Page IconTo Previous Page
Loading...
16
MS-SVN005-EN

Related product manuals