EasyManua.ls Logo

Trane TUD2B060AFV32A - Field Wiring

Trane TUD2B060AFV32A
22 pages
Print Icon
To Next Page IconTo Next Page
To Next Page IconTo Next Page
To Previous Page IconTo Previous Page
To Previous Page IconTo Previous Page
Loading...
15
PUB. NO. 22-1802-03
Field
Wiring
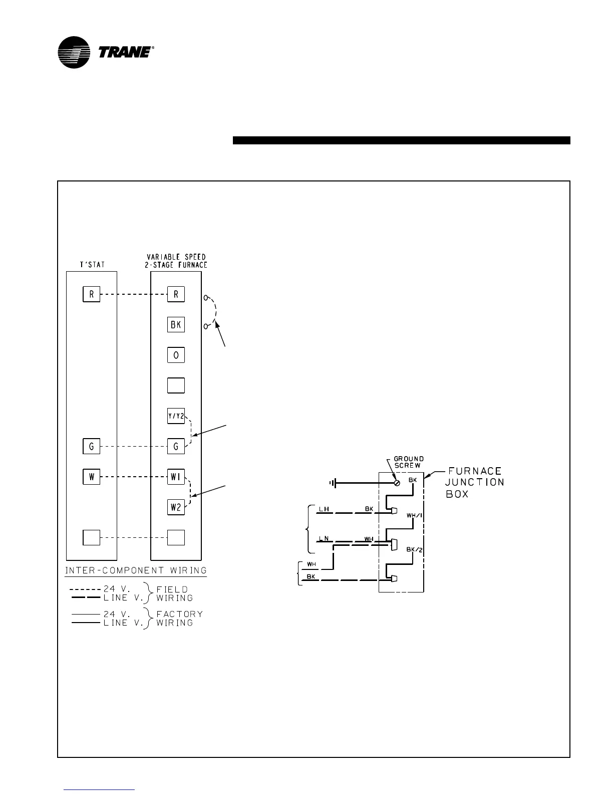
1. Be sure power agrees with equipment nameplates.
2. Low voltage (24 volt wiring) to be No. 18 A.W.G. min.
3. Grounding of equipment must comply with local codes.
4. Set thermostat heat anticipator per unit wiring diagram.
5. These leads provide 115V. power for connection of humidifier
MAX. load 1.0 amp.
6. When a single stage heating thermostat without fan switch
is used, no wiring on "G" terminal is used.
7. W1 and W2 must be jumpered together for proper operation.
Second stage heat will begin 10 minutes after first stage.
8. Set dip switches with power off per installation instructions
to set airflow and indoor fan off delays.
9. Continuous fan airflow can be increased by adding this jumper.
10. This wire is only for thermostats requiring connection to
transformer common terminal.
11. Optional humidistat is to be connected between R and BK. Factory installed jumper R
to BK on the circuit board must be cut if optional humidistat is used. The jumper must
also be cut when applying an airflow command signal to the BK input such as with the
variable speed single-zone and multi-zone system controllers. On single speed cooling
only/non-heat pump systems, jumper Y to O for proper operation of the delay profiles
and the humidistat. For two compressor or two speed systems, jumper YLo to O.
W14
SEE
NOTE 10
SEE
NOTE 9
Y1/Ylo
W14 JUMPER
SEE NOTE 11
FIELD ADDED JUMPER
W1 TO W2.
2ND STAGE WILL FIRE
10 MINUTES AFTER 1ST.
From Dwg. B342027 Rev. 0
SEE
NOTE 6
B/C
B/C
TO 115 V 1 PH.,
60 HZ., POWER
SUPPLY PER
LOCAL CODES
HUM SEE
NOTE 5
FIELD WIRING DIAGRAM FOR VARIABLE SPEED 2 STAGE FURNACE
1 STAGE HEATING
USING A 1 STAGE HEATING THERMOSTAT
NO COOLING