EasyManua.ls Logo

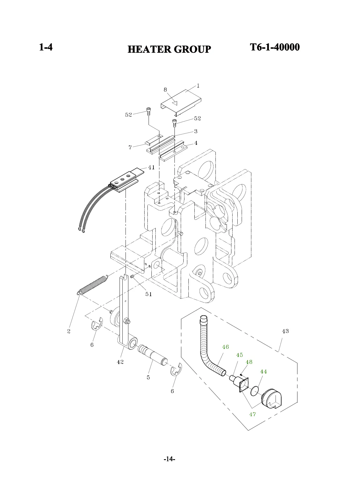
Transpak TP-6000-1 - Heater Group Parts; Heater Assembly Components

Transpak TP-6000-1
121 pages
Print Icon
To Next Page IconTo Next Page
To Next Page IconTo Next Page
To Previous Page IconTo Previous Page
To Previous Page IconTo Previous Page
Loading...
11/27/08

Related product manuals