EasyManua.ls Logo

Traynor Block 10 - Page 12

Traynor Block 10
14 pages
Print Icon
To Next Page IconTo Next Page
To Next Page IconTo Next Page
To Previous Page IconTo Previous Page
To Previous Page IconTo Previous Page
Loading...
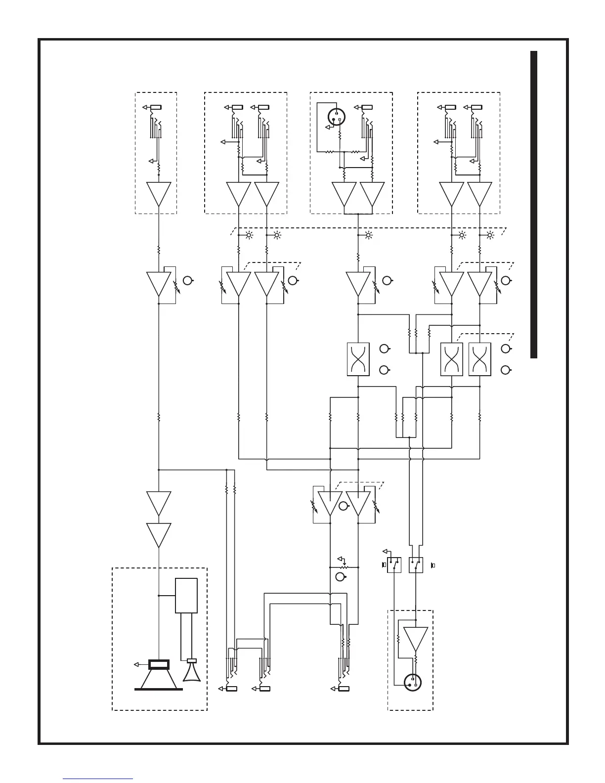
Block Diagram for
BLOCK 10 & BLOCK12
DESIGNED & MANUFA CTURED BY YORKVILLE SOUND
CLIP CH 1
Tweeter
BLOCK 10 = 10-inch woofer
BLOCK 12 = 12-inch woofer
Line Out
Gain
Gain
CLIP CH 1
CLIP CH 2
CLIP CH 2
CLIP CH 2
Gain
AMP
CROSSOVER
XLR
1/4-INCH
1/4-INCH
1/4-INCH
1/4-INCH
CHANNEL 1
Inside Cabinet
CHANNEL 2
Master Volume
Pan
Phones
LINK IN
LINK OUT
+
-
+
-
EQ
Gain
1/8-INCH
1/4-INCH
CHANNEL 3
CHANNEL 4 / MONITOR IN
TREBLEBASS
EQ
TREBLEBASS
TYPE: YS1115
GND LIFT
Pre / Post
BLOCK-DIAG-BLOCK10-BLOCK12-00-1v0

Related product manuals