EasyManua.ls Logo

Trident 78 - Trident 78 Sub Group Module Flow Diagram

Trident 78
28 pages
Print Icon
To Next Page IconTo Next Page
To Next Page IconTo Next Page
To Previous Page IconTo Previous Page
To Previous Page IconTo Previous Page
Loading...
Trident 78 Owners Manual 20
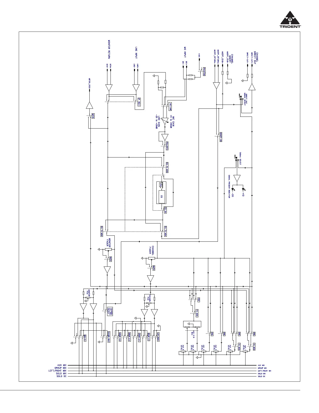
Trident 78 Warranty Information Trident 78 Input Module Flow Diagram

Related product manuals