EasyManua.ls Logo

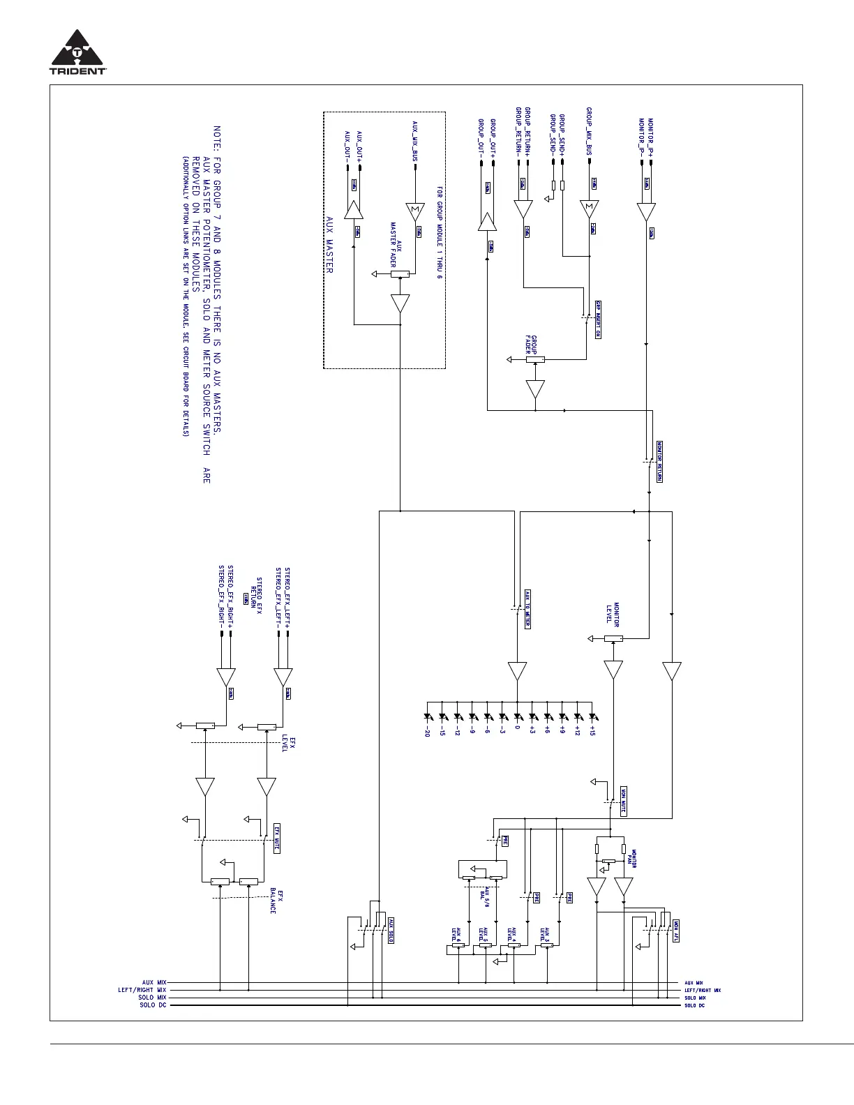
Trident 78 - Trident 78 Master Module Flow Diagram

Trident 78
28 pages
Print Icon
To Next Page IconTo Next Page
To Next Page IconTo Next Page
To Previous Page IconTo Previous Page
To Previous Page IconTo Previous Page
Loading...
Trident 78 Owners Manual21
Trident 78 Input Sub Group Module Flow Diagram Trident 78 Master Module Flow Diagram

Related product manuals