EasyManua.ls Logo

Trident 78 - Trident 78 Warning and Policies; Electrical Safety and Operational Warnings; RoHS and WEEE Compliance Statements

Trident 78
28 pages
Print Icon
To Next Page IconTo Next Page
To Next Page IconTo Next Page
To Previous Page IconTo Previous Page
To Previous Page IconTo Previous Page
Loading...
Trident 78 Owners Manual 22
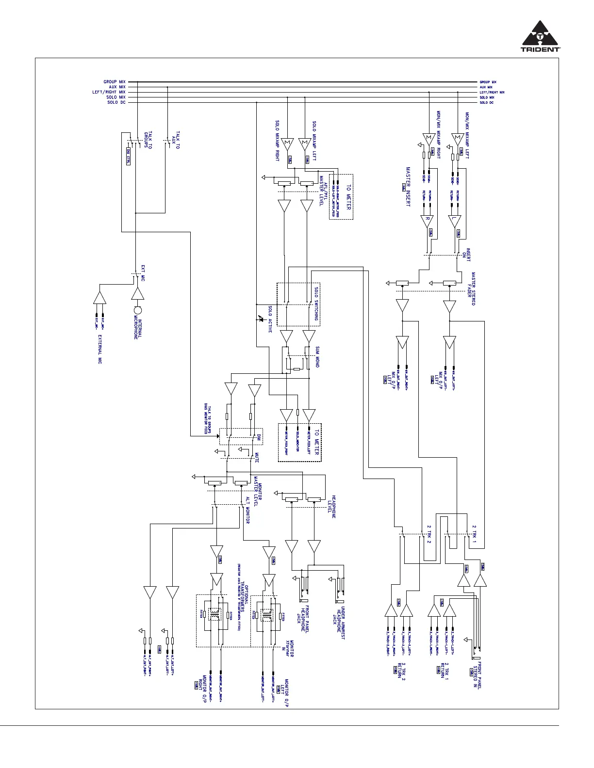
Trident 78 Master Module Flow Diagram

Related product manuals