EasyManua.ls Logo

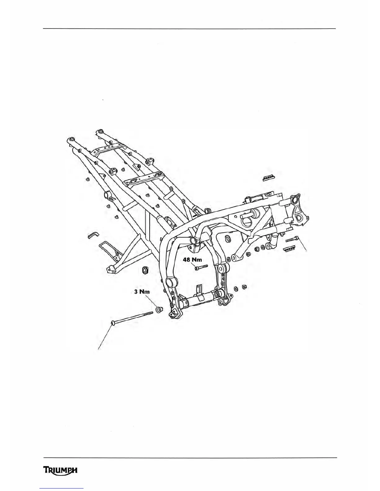
Triumph 2011 Tiger 800 - Exploded View - Frame - All Models

Triumph 2011 Tiger 800
508 pages
Print Icon
To Next Page IconTo Next Page
To Next Page IconTo Next Page
To Previous Page IconTo Previous Page
To Previous Page IconTo Previous Page
Loading...

  
 


 

 
 
 


Table of Contents

Related product manuals