EasyManua.ls Logo

Triumph TR6 1972 - 1969 Triumph TR6 Wiring Diagram

Triumph TR6 1972
9 pages
Print Icon
To Next Page IconTo Next Page
To Next Page IconTo Next Page
To Previous Page IconTo Previous Page
To Previous Page IconTo Previous Page
Loading...
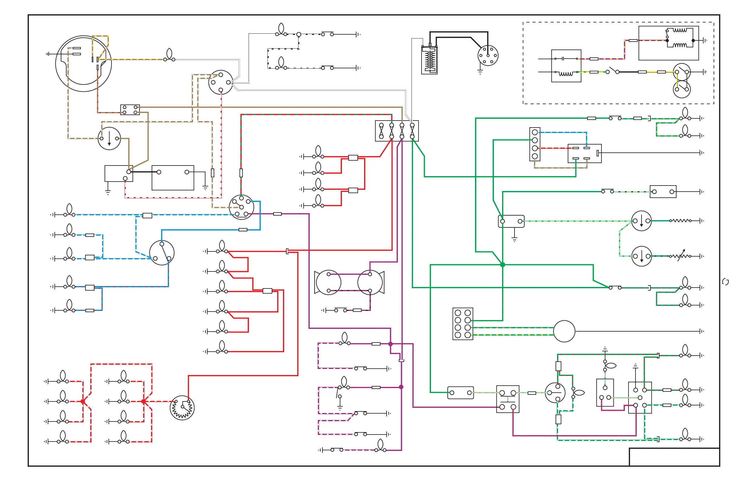
‘69 TR6
DIMMER
SWITCH
HIGH BEAMSLOW BEAMS
HIGH BEAM INDICATOR
BRAKE WARNING LAMP
LOW OIL PRESSURE LAMP
BRAKE WARNING SWITCH
LOW OIL PRESSURE SWITCH
IGNITION SWITCH
REVERSE LIGHTS
& SWITCH
BRAKE LIGHTS
& SWITCH
AMMETER
HEATER FAN
SWITCH
+
-
BATTERY
STARTER
GAUGE ILLUMINATION LAMPS
W1
W2
C1
C2
YP YP
Y
Y
YG
YG
B
W
N
B
FROM FUSE BOX
OVERDRIVE
ON - OFF
SWITCH
TRANSMISSION
INTERLOCK
SWITCHES
PULL-IN
COIL
CUT-OUT
SWITCH
OVERDRIVE
SOLENOID
RELAY
OPTIONAL OVERDRIVE
TAIL, REAR MARKER, &
LICENSE PLATE LAMPS
HORN
BUTTON
FRONT PARKING &
MARKER LIGHTS
HORNS
GLOVE BOX LAMP
& SWITCH
TRANSMISSION
TUNNEL
LAMP
TRUNK LAMP & SWITCH
DOOR
SWITCHES
+
-
TEMP GAUGE & SENDER
FUEL GAUGE & SENDER
B
I
WIPER MOTOR
WIPER SWITCH
C1
W1
W2
C2
C4
P
B
L
1
2
3
4
HAZARD
SWITCH
TURN SIGNAL
SWITCH
TURN SIGNAL
FLASHER
TS INDICATOR
HAZARD
RELAY
HAZARD
FLASHER
LH REAR
LH FRONT
RH FRONT
RH REAR
B L
HEATER FAN MOTOR
GAUGE LAMP
DIMMER CONTROL
WINDSHIELD WASHER
B
DISTRIBUTER
IGNITION
COIL
ALTERNATOR
GR
GR
GR GR
GR GR
GR
GR
GR
GW GW
GW
GW
GW
GW
GW
GW
GW
PR
LG/P
GP GPGP
GP
G
G
G
G
G
G
G
G
G
G GPPR R
G
G
B
G
G GN GN GN
NG
LG/B
GN
GY
GU
GB
LG/G
GAUGE VOLTAGE
STABILIZER
B
U/LG
R/LG
N/LG
W
LG/G
W
W
W
W
W
W
WB
WN
WB
R
R
R
R
RG
RG
RG
U
U
P
UW
UW
WR
WR
N
N
N
N
NR
NY
NY
W
NW
NW
NW
NW
NU
NW
PB
PB
PB
P
P
P
P
P P
P
PP
UW
UW
UW
UW
U
UR
UR
UW
UR
UR
R
R
R
R
R
R
R
R
R
RW
RW
RW
RW RW
RW
RW
RW
RW
R
PW
PW
PW
PW
P
P
PR
G LG/N LG/N LG/N
B
B
B
N
LG/K
PR
B
B
B
B
B
B
B
B
B
B
B
B
B
B
B
B
Y B
B
COLOR CODES
N Brown LG Light Green G Green
U Blue W White B Black
R Red Y Yellow K Pink
P Purple S Slate O Orange
HOLDING
COIL
2
4
6
8
1
3
5
7
AUTO-WIRE
advance
May be reproduced for personal, non-commercial use only
www.advanceautowire.com
A PUBLICATION 5 © 200
d
m
p

Related product manuals