EasyManua.ls Logo

Triumph TR6 1972 - 1975 Triumph TR6 Wiring Diagram

Triumph TR6 1972
9 pages
Print Icon
To Next Page IconTo Next Page
To Next Page IconTo Next Page
To Previous Page IconTo Previous Page
To Previous Page IconTo Previous Page
Loading...
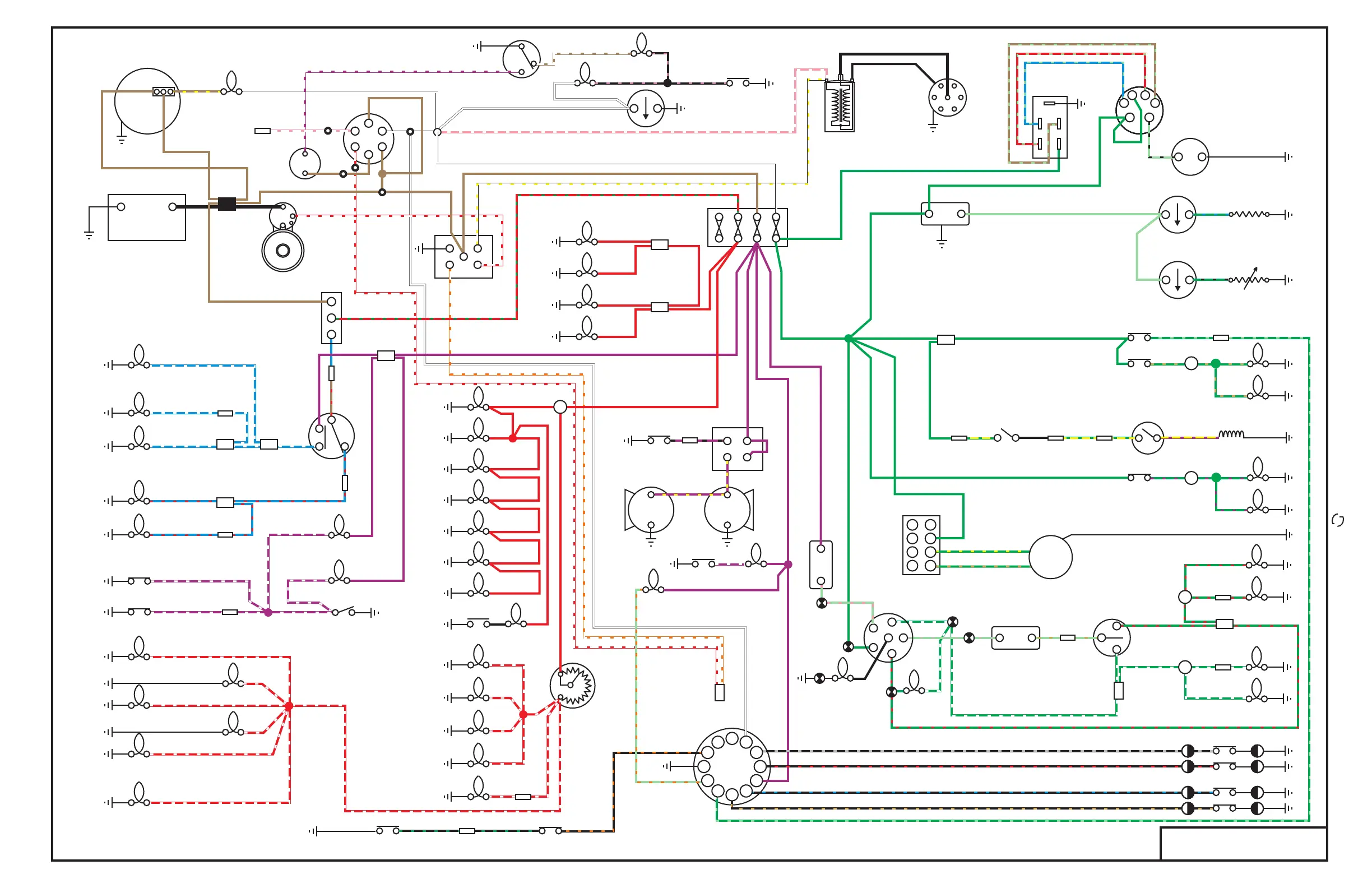
‘75 TR6
REVERSE LIGHTS
& SWITCH
B
DISTRIBUTER
IGNITION
COIL
TEMP GAUGE & SENDER
FUEL GAUGE & SENDER
BRAKE LIGHTS
& SWITCH
C1
W1
W2
C2
C4
HEATER FAN
SWITCH
+
-
BATTERY
X
LH FRONT
LH REAR
X
RH FRONT
RH REAR
OVERDRIVE SOLENOID
TRANSMISSION
INTERLOCK SWITCH
YPYGYGBYGG
OVERDRIVE
ON - OFF SWITCH
B L
HORN
BUTTON
C2
W1
W2
C1
U
X
X
KEY ILLUMINATION LAMP
FOOTWELL LAMP
RH DOOR SWITCH
LH DOOR SWITCH FOOTWELL LAMP
SWITCH
GAUGE & DASH
ILLUMINATION LAMPS
GAUGE & DASH
ILLUMINATION LAMPS
IGNITION KEY SWITCH LH DOOR SWITCH
DIMMER &
FLASH-TO-PASS
SWITCH
HIGH BEAMSLOW BEAMS
HIGH BEAM INDICATOR
GLOVE BOX LAMP
SEATBELT WARNING LAMP
FRONT PARKING &
MARKER LIGHTS
TAIL, REAR MARKER, &
LICENSE PLATE LAMPS
TRUNK LAMP & SWITCH
NEUTRAL SAFETY SWITCH
B I
WIPER/WASHER
SWITCH
WASHER MOTOR
WIPER MOTOR
N/LG
R/LG
U/LG
LG/B
HEATER FAN MOTOR
OIL PRESSURE
SWITCH
VOLTMETER
BRAKE FAILURE
SWITCH
BRAKE FAIL
LAMP
LOW OIL
PRESSURE LAMP
IGNITION
SWITCH
ALTERNATOR WARNING
LAMP
STARTER
RADIO
CONNECTION
HEADLIGHT
SWITCH
STARTER
RELAY
GAUGE
LAMP
DIMMER
CONTROL
HORN RELAY
HAZARD FLASHER
TURN SIGNAL
FLASHER
HAZARD
SWITCH
TURN SIGNAL
INDICATOR
HAZARD
INDICATOR
SEATBELT
MODULE
TURN SIGNAL
SWITCH
GAUGE VOLTAGE
STABILIZER
BALLAST RESISTER WIRE
COLOR CODES
N Brown LG Light Green G Green
U Blue W White B Black
R Red Y Yellow K Pink
P Purple S Slate O Orange
UW
UW
UW
UR
UR
PW
PW
RW
B
B
RW
RW
RW
RW
RW
RW
RW
RW
RW RW
R
G
G
GGGG
G
G
P P P P
R
R
R
R
R R
R
R
R
R
R
R
R
R
R
R
R
R
R
KW
RG
WR
N
N
N
N
N
RG
WY
WO
W
N
N
RW
RW
RW
P
PW
PW
PW
BS
BR
BU
BN
G/LG
B
B
B
GP
GP
GPG
GR
GR
GR
GW
GW
GW
GR
GW
GW
GR
GR
LG/N LG/N
G
GY
GN
LG/K
GW
G
LG/S
LG/S
GN
GNGN
G/LG G/LG
G
GU
GB
LG
LG
B
G
G
WR
N
NR
WP
WP
WN
W
BP
BP
BP
WNY
P
UR
UW
UR
UW
PW
BOBGBG
RW
LG/O
BO
WR WO
W
B
W
B
W
WK
N
N
N
PY
P
P
P
P
PBPB
PW
LG/O
N W
FUSE BOX
WR
B
B
B
B
B
B
B
B
B
B
B
B
B
B
B
B
B
B
B
B
ANTI
RUN-ON
VALVE
RH SEAT SENSOR SWITCH
RH SEATBELT SWITCH
LH SEAT SENSOR SWITCH
LH SEATBELT SWITCH
KW
WY
WK
N
ALTERNATOR
NR
N
I
S
P
L B
HORNS
PY
B
B
X
3
4
5
1
6
2
1
2
3
4
5
6
7
8
9
10
11
12
1 2
3
4
5 6
7
8
1
2
3
4
AUTO-WIRE
advance
May be reproduced for personal, non-commercial use only
www.advanceautowire.com
A PUBLICATION 5 © 200
d
m
p

Related product manuals