EasyManua.ls Logo

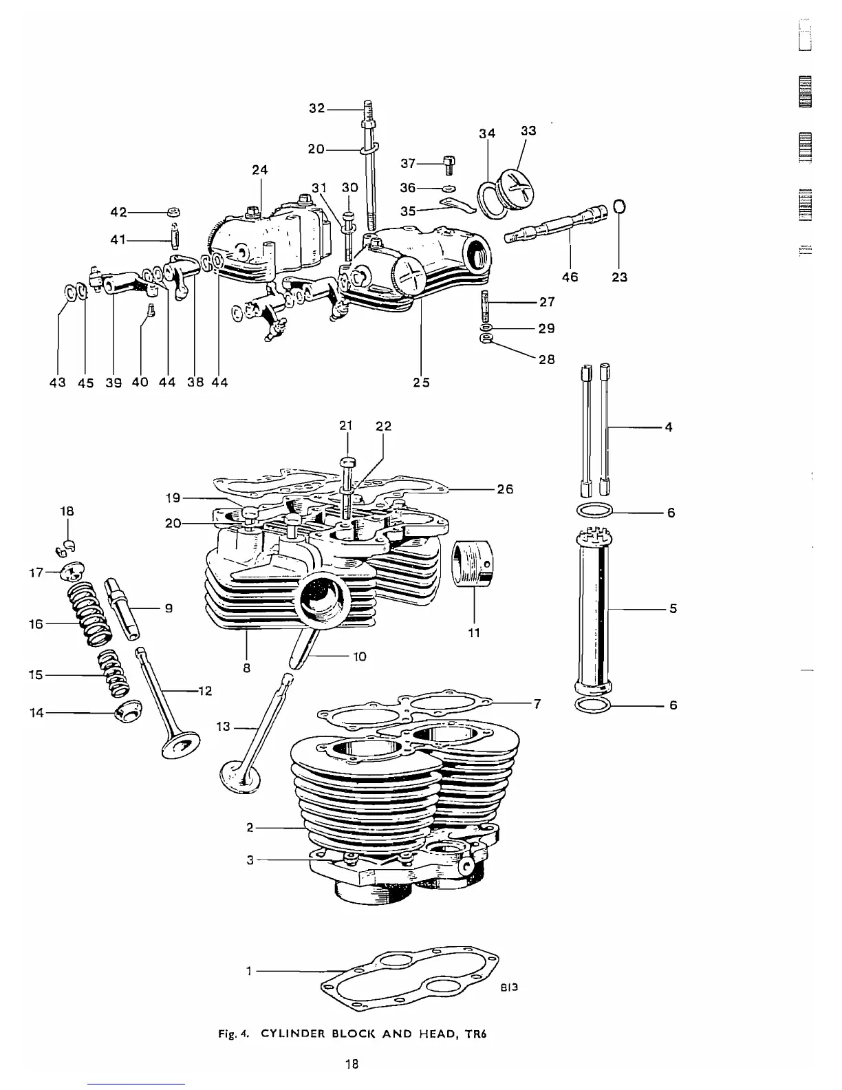
Triumph TR6C Trophy 650 - Cylinder Block and Head, TR6

Triumph TR6C Trophy 650
80 pages
Print Icon
To Next Page IconTo Next Page
To Next Page IconTo Next Page
To Previous Page IconTo Previous Page
To Previous Page IconTo Previous Page
Loading...
Fig.
4.
CYLINDER BLOCK AND HEAD, TR6
18

Related product manuals