EasyManua.ls Logo

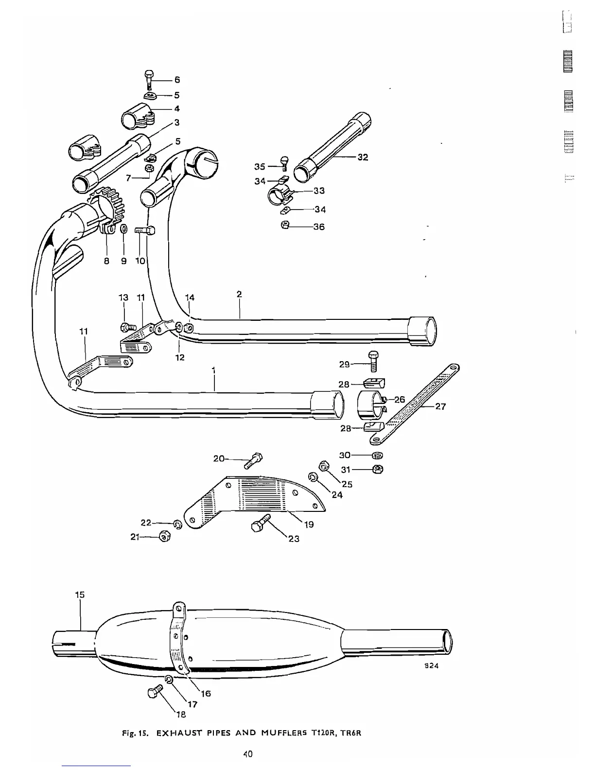
Triumph TR6C Trophy 650 - Exhaust Pipes and Mufflers T120 R, TR6 R

Triumph TR6C Trophy 650
80 pages
Print Icon
To Next Page IconTo Next Page
To Next Page IconTo Next Page
To Previous Page IconTo Previous Page
To Previous Page IconTo Previous Page
Loading...
Fig.15.
EXHAUST PIPES AND MUFFLERS TIZOR, TR6R

Related product manuals