EasyManua.ls Logo

Triumph TR6C Trophy 650 - Ignition Coils, Horn, Rectifier and Zener Diode

Triumph TR6C Trophy 650
80 pages
Print Icon
To Next Page IconTo Next Page
To Next Page IconTo Next Page
To Previous Page IconTo Previous Page
To Previous Page IconTo Previous Page
Loading...
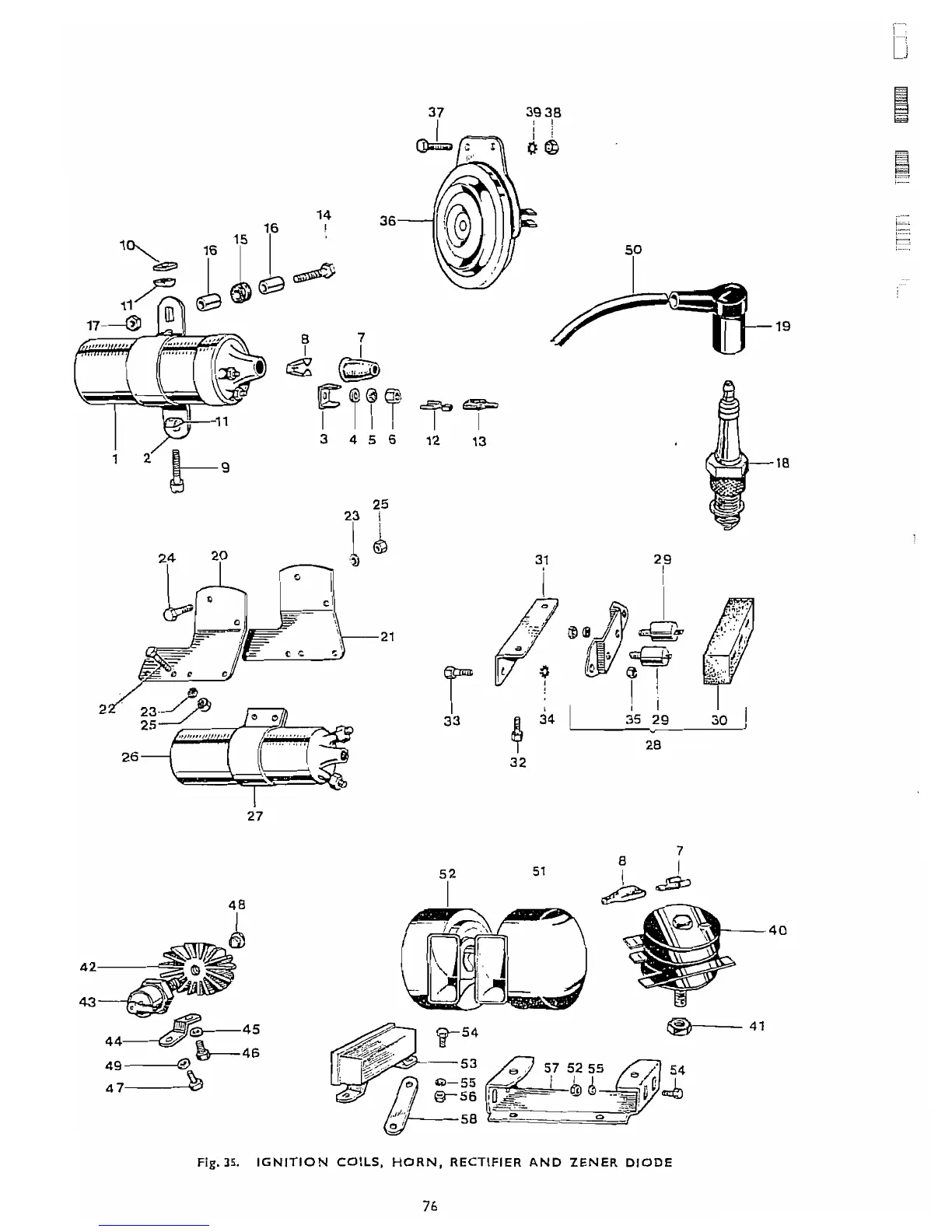
Fig.35.
IGNITION COILS, HORN, RECTIFIER AND ZENER DIODE

Related product manuals