EasyManua.ls Logo

Troy-Bilt 466 - Page 18

Troy-Bilt 466
20 pages
Print Icon
To Next Page IconTo Next Page
To Next Page IconTo Next Page
To Previous Page IconTo Previous Page
To Previous Page IconTo Previous Page
Loading...
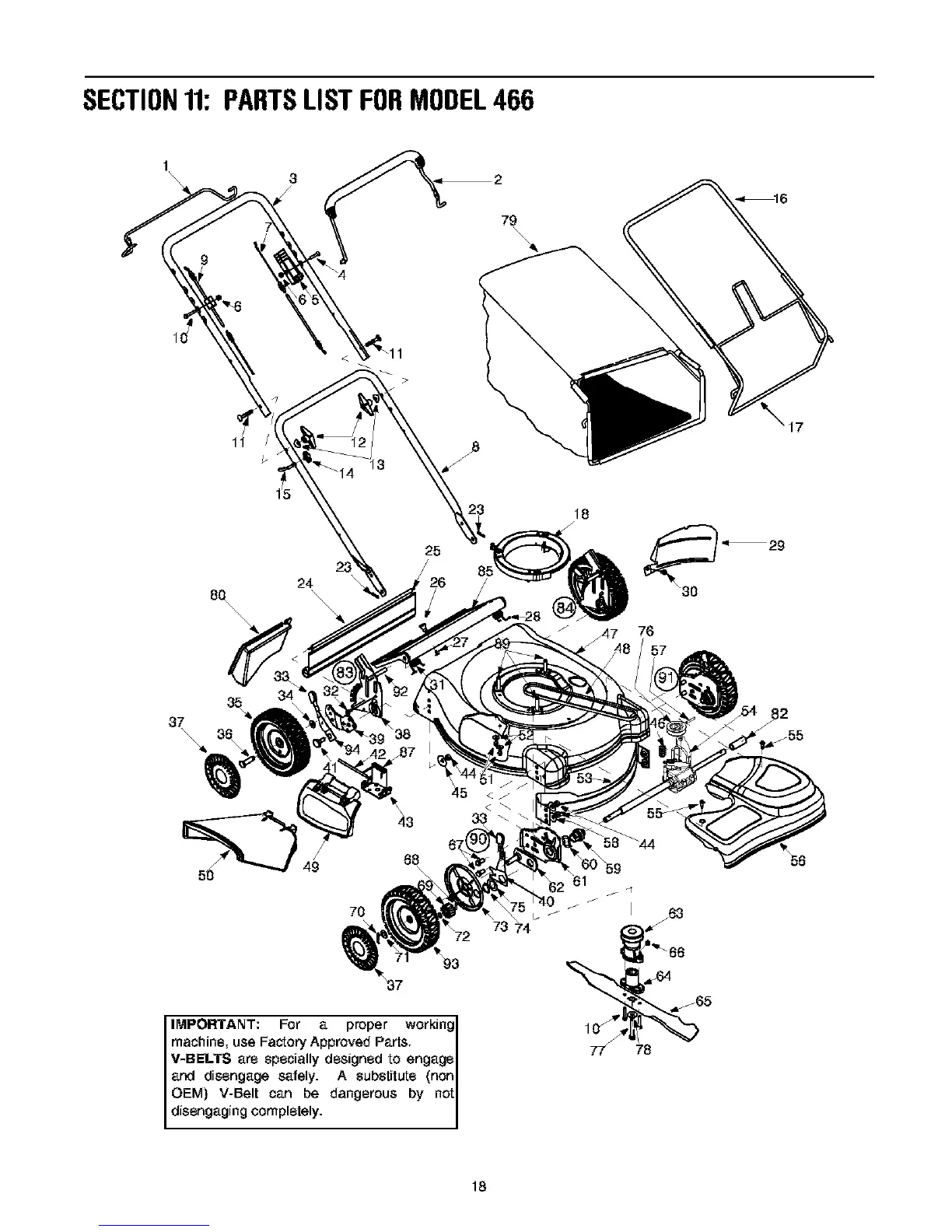
SECTION11:PARTSLISTFORMODEL466
11
\4
17
24
25
49
7O
IMPORTANT: For a proper working
machine, use Factory Approved Parts,
V-BELTS are specially designed to engage
and disengage safely. A substitute (non
OEM) V-Belt can be dangerous by not
disengaging completely.
78
18

Related product manuals