EasyManua.ls Logo

tti Tech PMR-446 - Battery Pcb

Default Icon
34 pages
Print Icon
To Previous Page IconTo Previous Page
To Previous Page IconTo Previous Page
Loading...
1 2 3 4
A
B
C
D
4321
D
C
B
A
1
TTI Tech Co., Ltd.
1
Title
Size: Number:
Date:File:
Revision:
Sheet ofTime:
A4
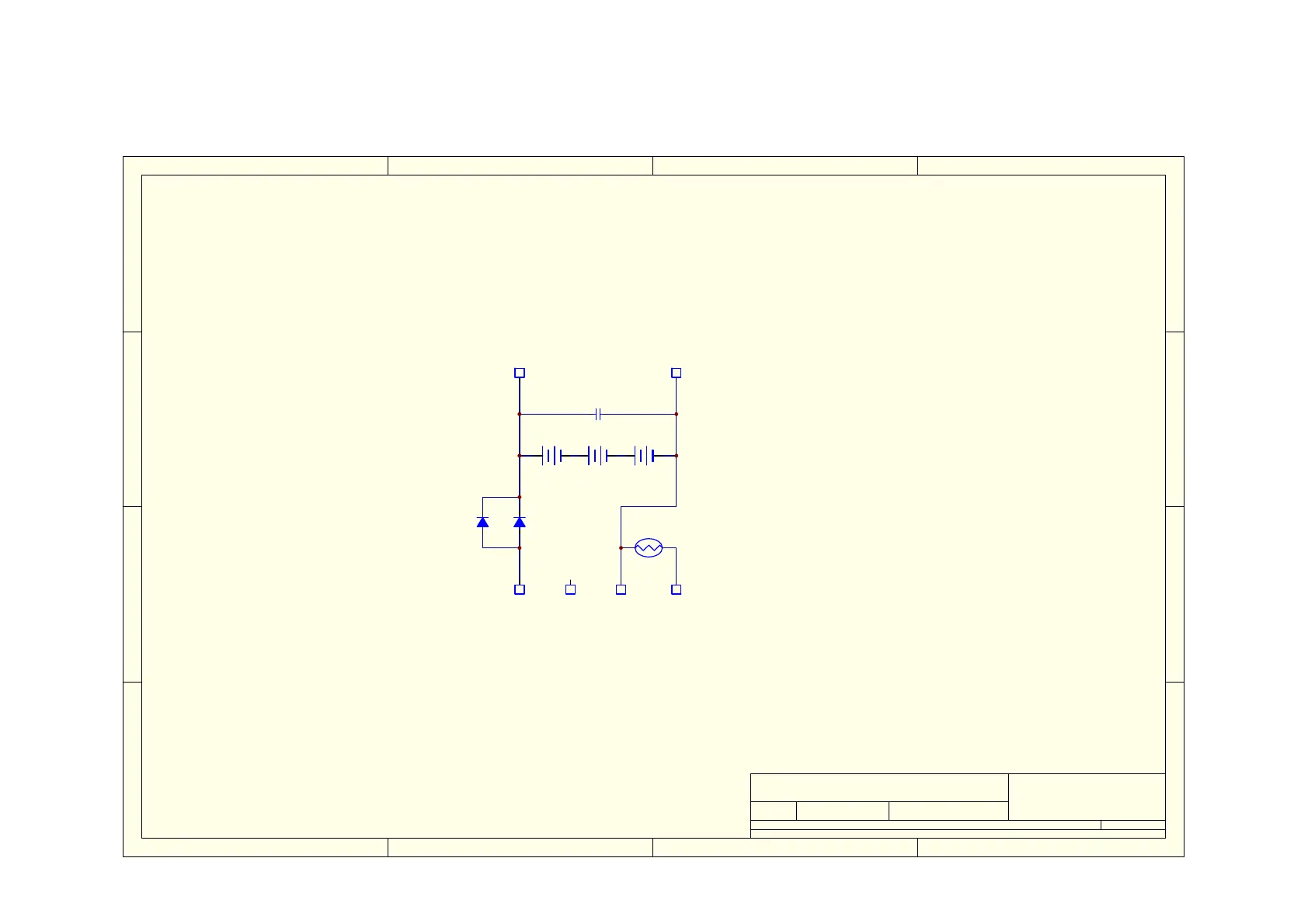
TX-446 Battery
Drw: Chk: Apr:
MAY 7, 2002
K.Nakamura
BB101
GP130AAM6SXZ
CB101
0.01
RB101
10K TH
T5 T6
T1 T2 T3 T4
QB101
1N4004
(To Set)
(To Chager)
QB102
1N4004
9-2 BATTERY PCB
33