EasyManua.ls Logo

TuffStuff AXT-225 - Step 10 Tensin Cable

TuffStuff AXT-225
40 pages
Print Icon
To Next Page IconTo Next Page
To Next Page IconTo Next Page
To Previous Page IconTo Previous Page
To Previous Page IconTo Previous Page
Loading...
AXT-225 Deluxe Home Gymwww.tustutness.com
26
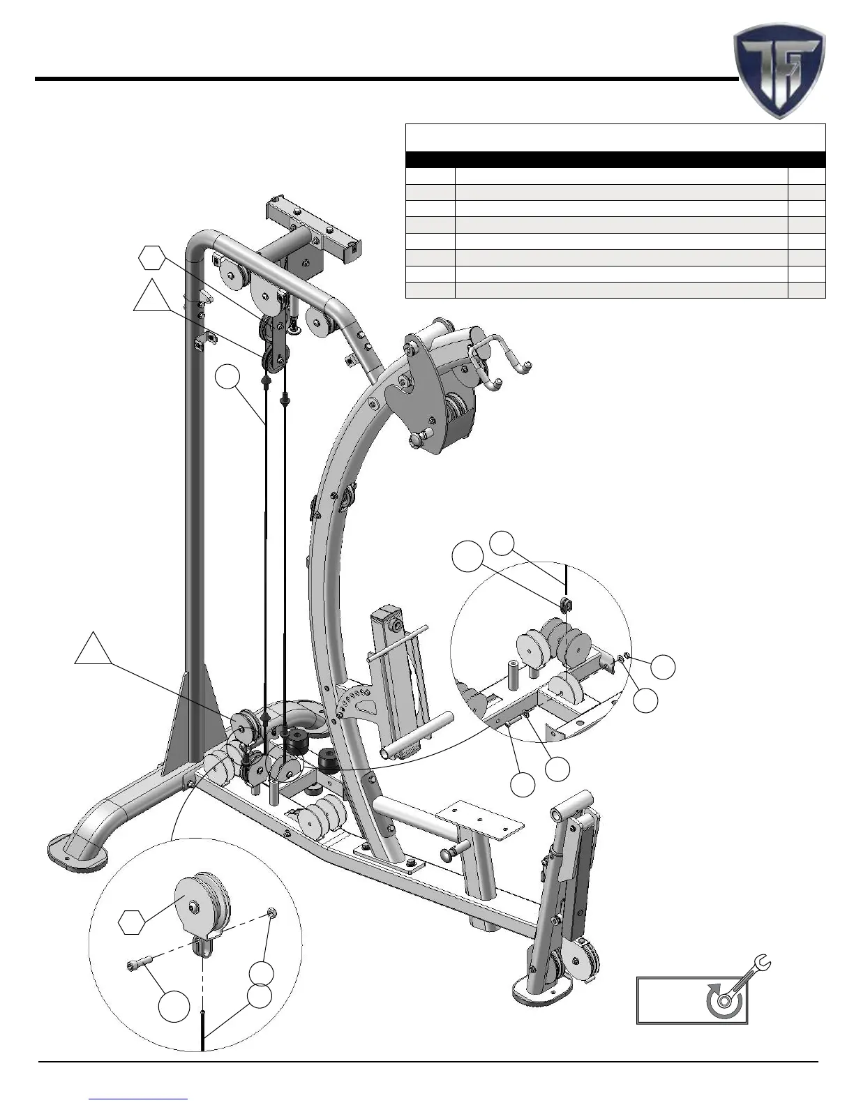
Step 10 Tensin Cable
A
31
B
*3
100
31
*8
83
62
62
118
31
83
53
NOTE:
1. SOME PARTS CUT OUT/NOT SHOWN FOR
CLARITY.
2. FOLLOW THE TRIANGLE BALLOONS TO
PROPERLY ROUTE THE CABLE.
100%
Fully Tighten
Fully Tighten
Wrench tighten all hardware in this step.
Step 10 Assembly List
Item # Description Qty.
*3 ADJUSTABLE DOUBLE PULLEY BRACKET 1
*8 FLOATING PULLEY BRACKET 1
31 TENSION CABLE 1
53 BUTTON HEAD SOCKET CAP SCREW Z/P 3/8-16 X 1 3/4 1
62 FLAT WASHER SAE Z/P 3/8” 2
83 NYLON INSERT THIN PATTERN LOCK NUT Z/P 3/8-16 2
100 SOCKET CAP SCREW Z/P 3/8-16 X 1 1/4 1
118 STRAP BRACKET 20 #SF20 STAINLESS STEEL 1

Related product manuals