EasyManua.ls Logo

TYM T264 - Page 106

TYM T264
215 pages
Print Icon
To Next Page IconTo Next Page
To Next Page IconTo Next Page
To Previous Page IconTo Previous Page
To Previous Page IconTo Previous Page
Loading...
When the drive pinion and the ring gear has been
replaced, the proper number of shims to be
installed should be determined based upon the
before page.
Note : When assembling without replacing the
pinion gear and ring gear with new ones,
provide the same shimming thickness as
that provided before disassembly.
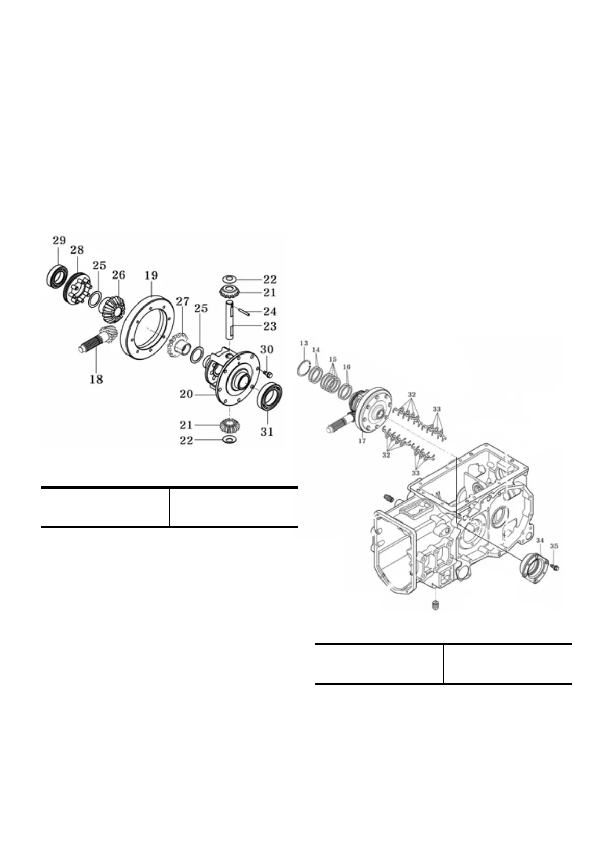
f. Install the differential gears.
Ring gear tightening
torque
2.3~3.0 Kgf.m
(22.5~29.4 N.m)
Note:
- As shown in Fig5-32, there are two kinds of
differential side gears. Although are case
hardened, the one installed on the side of the
diff-lock is treated further and colored black.
Take care not to mix them when assembling.
- Apply multi-purpose, quality grease to the
parts mentioned below:
Tooth surfaces of diff-pinions and diff-side
gears
• Friction surfaces of diff-pinion shafts and
diff-pinions.
g. Backlash between diff-pinion and diff-side
gear should be within as range of 0.1 to
0.2mm(0.004-0.008 in) and these parts
should turn smoothly.
Install the differential gear assembly.
Fig.5-33
Diff-case metal
tightening torque.
4.5~6.0 Kgf.m
(44.1~58.8 N.m)
Fig.5-32
5-20

Related product manuals