EasyManua.ls Logo

TYM T264 - Page 115

TYM T264
215 pages
Print Icon
To Next Page IconTo Next Page
To Next Page IconTo Next Page
To Previous Page IconTo Previous Page
To Previous Page IconTo Previous Page
Loading...
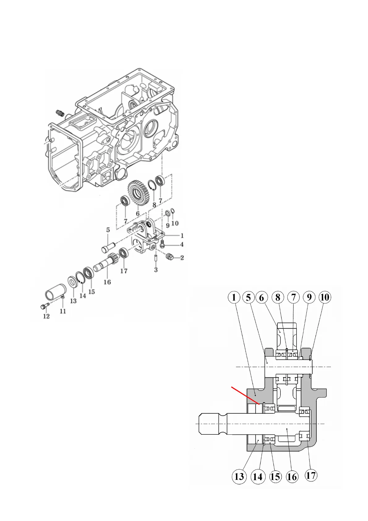
(5) MID PTO
(5-1) MID PTO CASE ASSY
Fig.5-48
1.CASE , MID PTO
2.PLUG , SQUARE
3.PIN , PARALLEL/A
4.BOLT , HEX/S
5.SHAFT , MID PTO COUNT
6.GEAR , SPUR 32T
7.BEARING , BALL (6203)
8.C-RING , HOLE
9.COLLAR , 17X24X6
10.C-RING , SHAFT
11.CAP COMP , MID PTO SHAFT
12.BOLT , HEX /S
13.SEAL , OIL/D
14.C-RING , HOLE
15.BEARING , BALL (6005)
16.SHAFT , MID PTO
17.BEARING , BALL (6203)
(5-2) MID PTO CASE SUB ASSY
Note : When pushing the BRG’s(15) into the
case and the shaft, be careful to push
their inner and outer races at a time.
Note : The surface of the shaft and the inner of
the case should be applied for oil
before being assembled.
5-29
Apply
adhesive
Fig.5-49

Related product manuals