EasyManua.ls Logo

TYM T290 - Page 43

TYM T290
100 pages
Print Icon
To Next Page IconTo Next Page
To Next Page IconTo Next Page
To Previous Page IconTo Previous Page
To Previous Page IconTo Previous Page
Loading...
TRACTOR CONTROLS
37
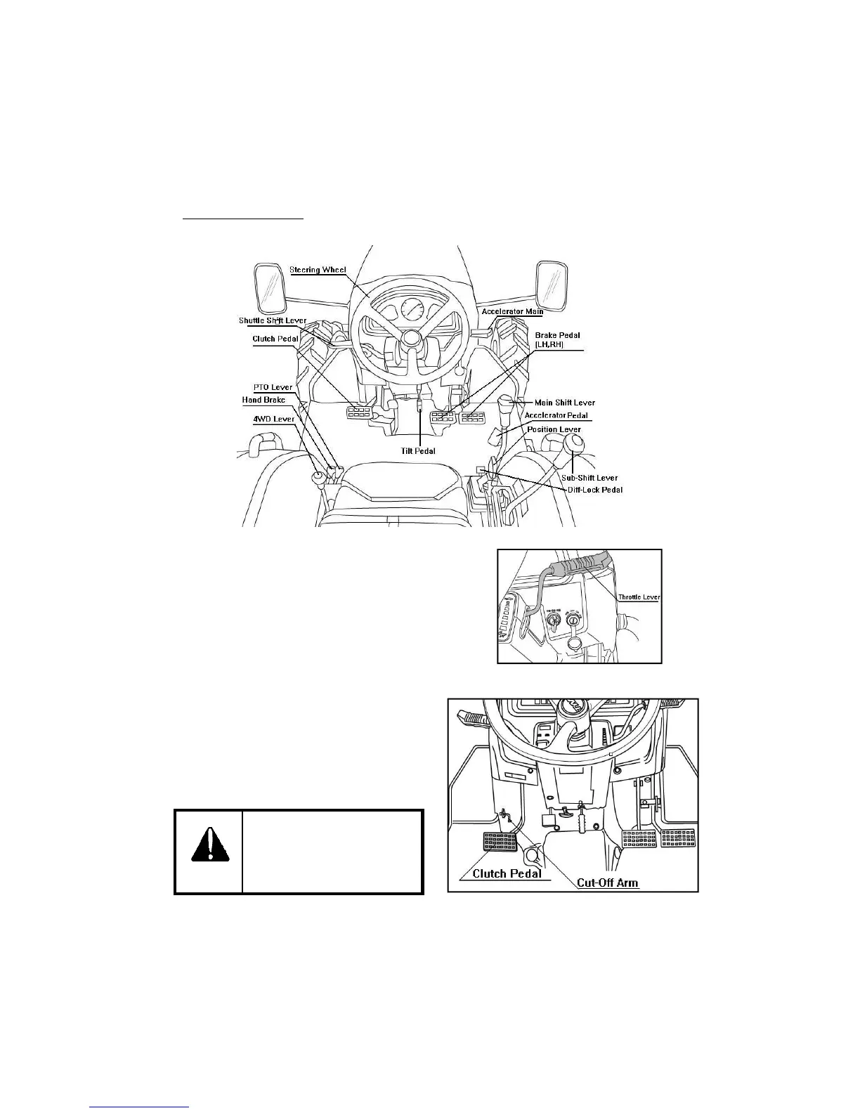
Hand Throttle
Pulling the hand throttle towards the driver
increases revolutions.
Pushing it away from the driver decreases
revolution.
Clutch disconnecting arm
For long term storage of the Tractor it is
possible to latch the clutch in the disengaged
position.
Push the clutch down and engage the latch to
hold it there.
Do not attempt to start engine
when this arm is being used.
warning

Related product manuals