EasyManua.ls Logo

TYM T290 - Page 57

TYM T290
100 pages
Print Icon
To Next Page IconTo Next Page
To Next Page IconTo Next Page
To Previous Page IconTo Previous Page
To Previous Page IconTo Previous Page
Loading...
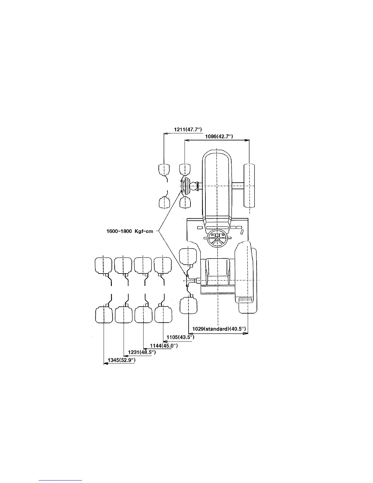
Track adjustment
As some models of TYM are front wheel assist the front track can be set in 2 position.
The rear track can be set in 5 positions as illustrated.
51

Related product manuals