EasyManua.ls Logo

TYM T603 - Power Train

TYM T603
121 pages
Print Icon
To Next Page IconTo Next Page
To Next Page IconTo Next Page
To Previous Page IconTo Previous Page
To Previous Page IconTo Previous Page
Loading...
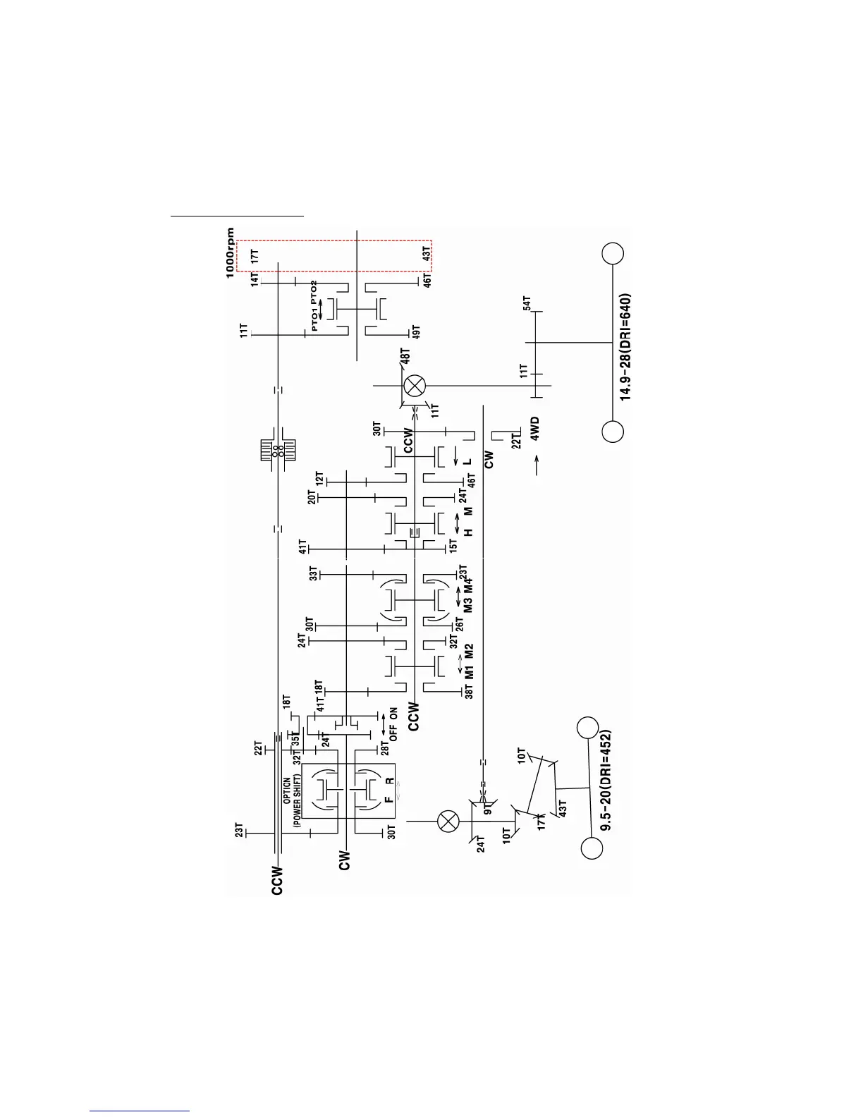
T603 POWER TRAIN
111

Other manuals for TYM T603

Related product manuals