EasyManua.ls Logo

U-Line Wine Captain 2000 Series - Page 15

U-Line Wine Captain 2000 Series
65 pages
Print Icon
To Next Page IconTo Next Page
To Next Page IconTo Next Page
To Previous Page IconTo Previous Page
To Previous Page IconTo Previous Page
Loading...
USER GUIDE
Integrated Panel Dimensions 3
u-line.com
SAFETY • INSTALLATION & INTEGRATION OPERATING INSTRUCTIONS • MAINTENANCE • SERVICE
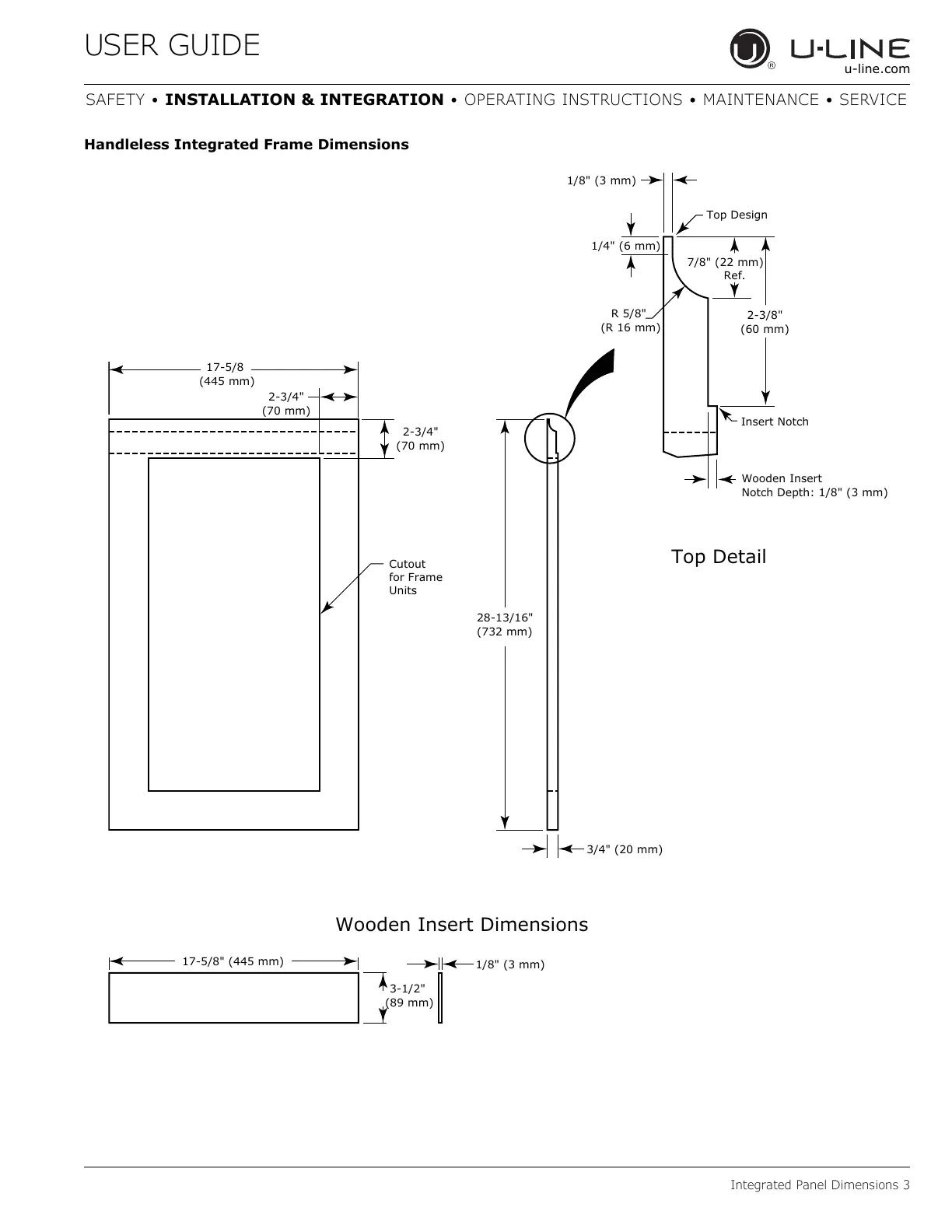
Handleless Integrated Frame Dimensions
3/4" (20 mm)
28-13/16"
(732 mm)
2-3/4"
(70 mm)
2-3/4"
(70 mm)
R 5/8"
(R 16 mm)
1/8" (3 mm)
1/4" (6 mm)
Wooden Insert
Notch Depth: 1/8" (3 mm)
2-3/8"
(60 mm)
7/8" (22 mm)
Ref.
Top Detail
Insert Notch
Top Design
1/8" (3 mm)
3-1/2"
(89 mm)
17-5/8" (445 mm)
Wooden Insert Dimensions
17-5/8
(445 mm)
Cutout
for Frame
Units

Other manuals for U-Line Wine Captain 2000 Series

Related product manuals