EasyManua.ls Logo

unicraft SHB 3 - Electrical Circuit Diagram

unicraft SHB 3
22 pages
Print Icon
To Next Page IconTo Next Page
To Next Page IconTo Next Page
To Previous Page IconTo Previous Page
To Previous Page IconTo Previous Page
Loading...
18 SHB 3 | Version 1.02
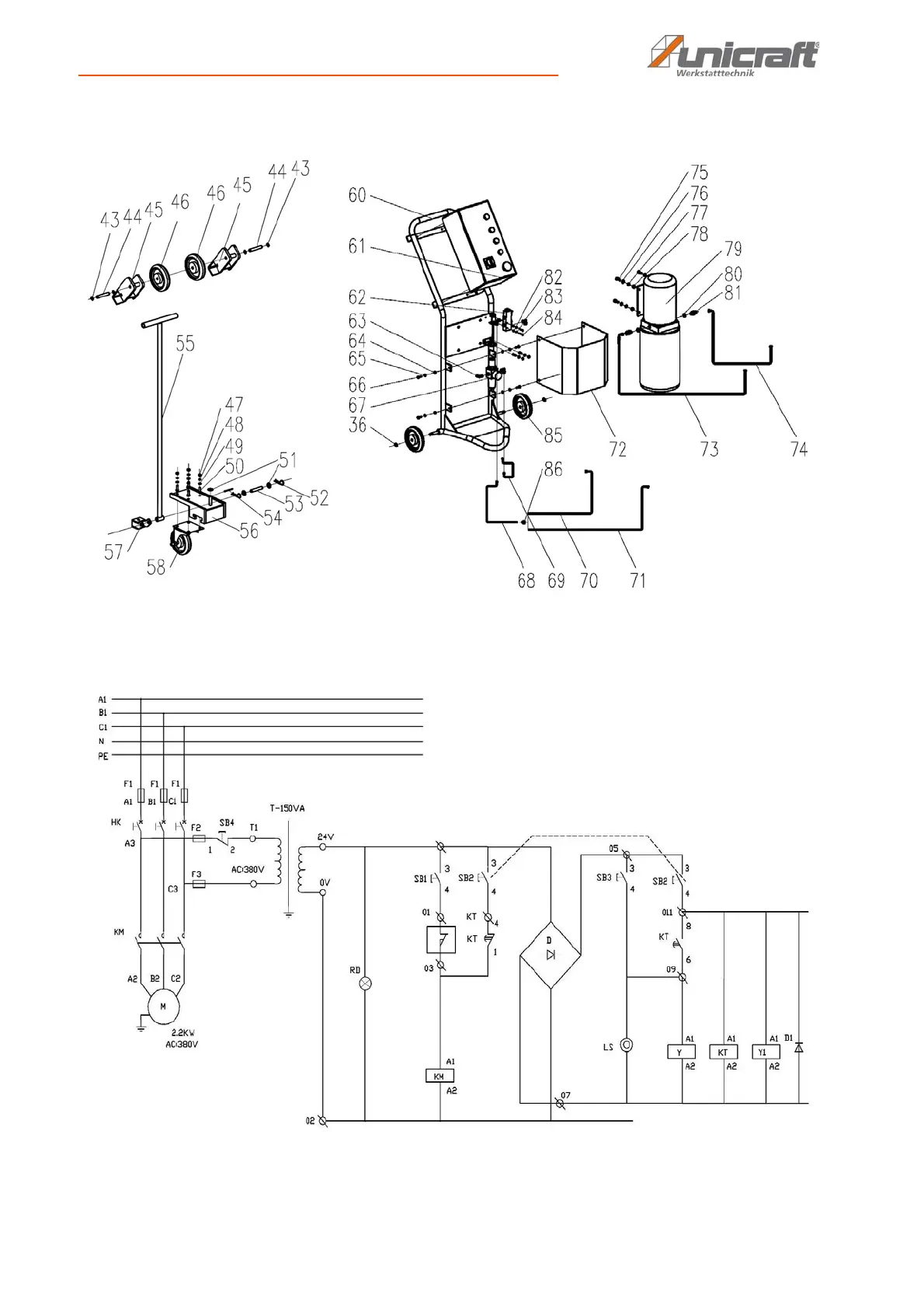
Electrical circuit diagram
Spare parts drawing 2
Fig. 19: Spare parts drawing 2
15 Electrical circuit diagram
Fig. 20: Electrical circuit diagram

Related product manuals