EasyManua.ls Logo

unicraft SHB 3 - Hydraulic Circuit Diagram; Compressed Air Circuit Diagram

unicraft SHB 3
22 pages
Print Icon
To Next Page IconTo Next Page
To Next Page IconTo Next Page
To Previous Page IconTo Previous Page
To Previous Page IconTo Previous Page
Loading...
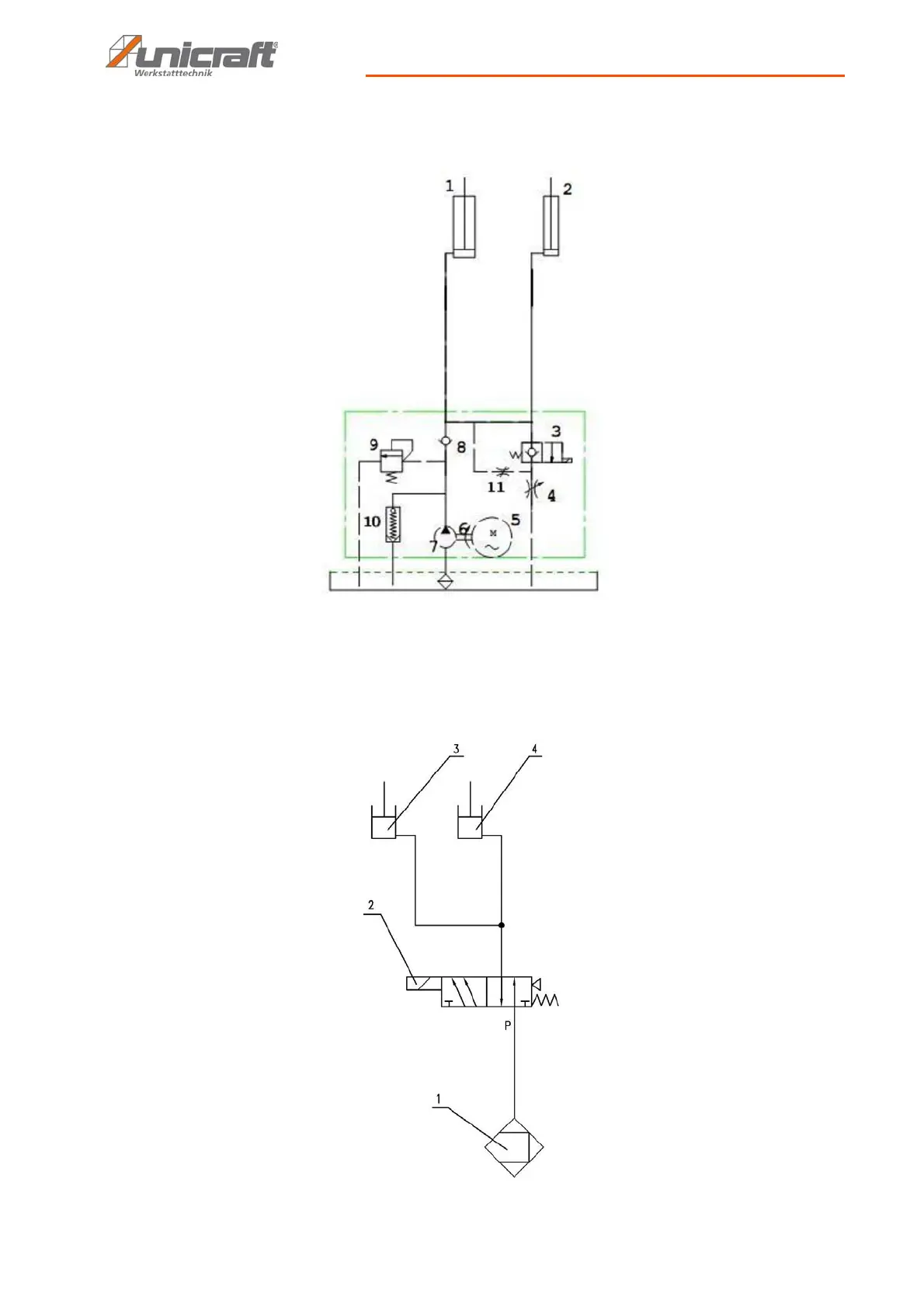
Hydraulic circuit diagram
SHB 3 | Version 1.02 19
16 Hydraulic circuit diagram
Fig. 21: Hydraulic circuit diagram
17 Compressed air circuit diagram
Fig. 22: Compressed air circuit diagram

Related product manuals