EasyManua.ls Logo

Unigas C85A - Page 55

Default Icon
116 pages
Print Icon
To Next Page IconTo Next Page
To Next Page IconTo Next Page
To Previous Page IconTo Previous Page
To Previous Page IconTo Previous Page
Loading...
7
1.4 Wireway and electrical conduit
The following cables are recommended for separate wiring;
Complete separate from all other cables:
Cable for "VSD to Fan motor" Line voltage, see also "1. Frequency inverter / Variable Speed Drive (VSD)"
Cable for ignition high voltage, see also "2. Ignition"
Cable for the Flame sensors
Together in cable duct 1 for Low voltage, e.g.:
Cable for CAN-Bus
Cable for VSD speed sensor, LMV5 X70
Cable for VSD Release & Set point , LMV5 X73
Cables for the Load controller: Temperature or Pressure sensor, set point, load output at the LMV5 X60, X61, X62, X63
Together in cable duct 2 for Line voltage, e.g.:
Cable for Ignition transformer
Cables for other Line voltage signals, e.g. Gas pressure switches, Air pressure switches, ….
Cable for Gas valves SKP/VGD
Example of wiring, see next paragraph Wireway and electrical conduit
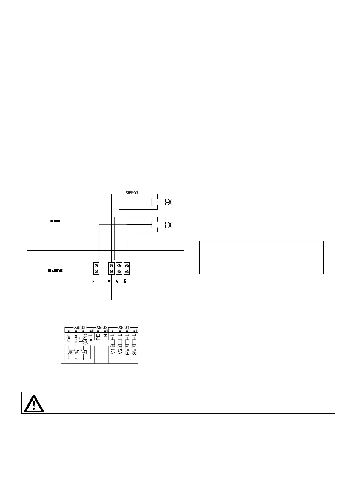
NOTE: KEEP SEPARATE SIGNALS CABLES, OUTPUT CABLES, PHOTOCELL CABLE AS SHOWN IN THE BELOW PICTURE
The cables from the LMV5 to the SKP/VGD -Gas
vales shall be connected at the LMV5 side with X9-01:
L-Valve1, L-Valve2 and with X9-02, N, PE) and
connected at the SKP side separate to each SKP.