EasyManua.ls Logo

Unique UGP-30E OF1 - Wiring Diagram - UGP36 E OF1

Unique UGP-30E OF1
51 pages
Print Icon
To Next Page IconTo Next Page
To Next Page IconTo Next Page
To Previous Page IconTo Previous Page
To Previous Page IconTo Previous Page
Loading...
UNIQUE ELITE 30E&36E
40
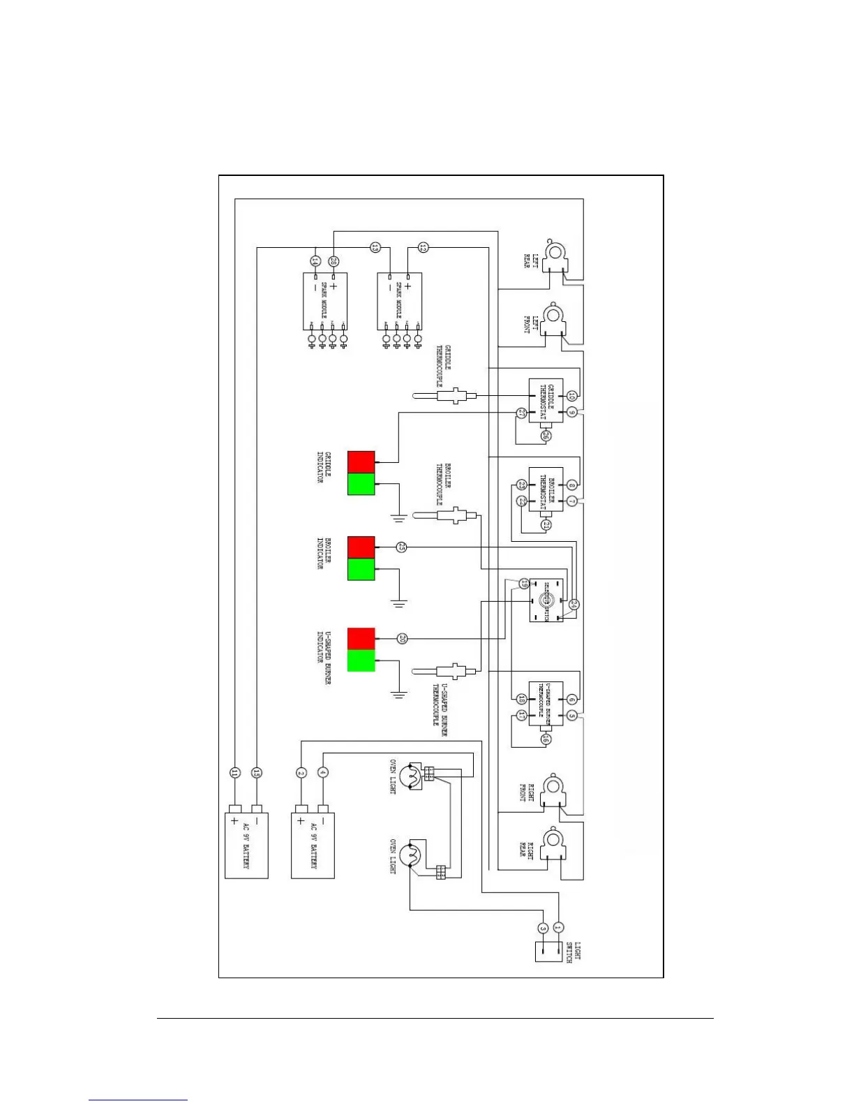
Wiring Diagram – UGP36E OF1

Table of Contents

Related product manuals