EasyManua.ls Logo

Unitronics V200-18-E4XB - Digital Outputs; Transistor Outputs

Unitronics V200-18-E4XB
16 pages
Print Icon
To Next Page IconTo Next Page
To Next Page IconTo Next Page
To Previous Page IconTo Previous Page
To Previous Page IconTo Previous Page
Loading...
V200-18-E4XB Snap-in I/O Module 6/05
4 Unitronics
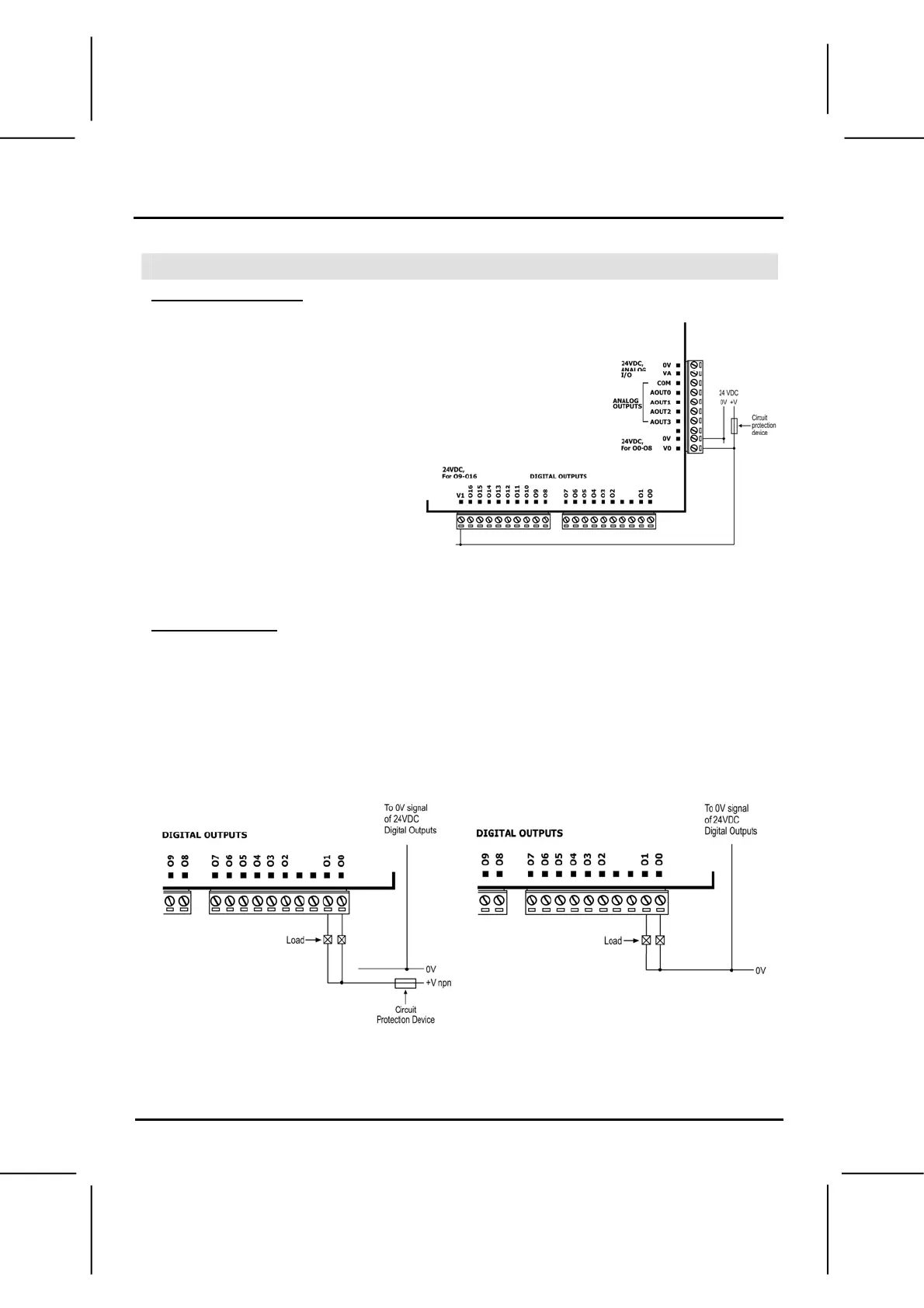
Digital Outputs
Wiring Power Supplies
Use a 24VDC power supply for all digital
outputs.
1. Connect the "positive" lead to
the "V0" and "V1" terminal,
and the “negative” lead to the
common "0V" terminal.
V0 provides the power supply for
Outputs #0, 1, 2, 3, 4, 5, 6, 7, and
8.
V1 provides the power supply for
Outputs #9, 10, 11, 12, 13, 14,
15, and 16.
In the event of voltage
fluctuations or non-conformity to
voltage power supply
specifications, connect the device
to a regulated power supply.
Transistor Outputs
Outputs 0 and 1 can function as either npn or pnp, in accordance with jumper settings and wiring. Open
the device and set the jumpers according to the instructions beginning on page 8.
Outputs 2 to 16 function as pnp only.
The 0V signal of the transistor outputs is isolated from the controller’s 0V signal.
npn (sink) pnp (source)
i4 Automation Ltd - 01480 395256

Related product manuals