EasyManua.ls Logo

Universal COSMIC SERIES - WIRING DIAGRAM (CONNECTOR)

Default Icon
35 pages
Print Icon
To Next Page IconTo Next Page
To Next Page IconTo Next Page
To Previous Page IconTo Previous Page
To Previous Page IconTo Previous Page
Loading...
URUtSKiiiAL'
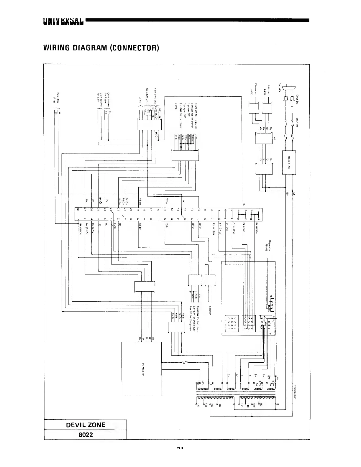
WIRING
DIAGRAM
(CONNECTOR)
(TniMfinnnjinsOTfOTOTiniOTiiin
(tDgggogittetfUDiiiiiigisir'
DEVIL
ZONE
8022

Other manuals for Universal COSMIC SERIES