EasyManua.ls Logo

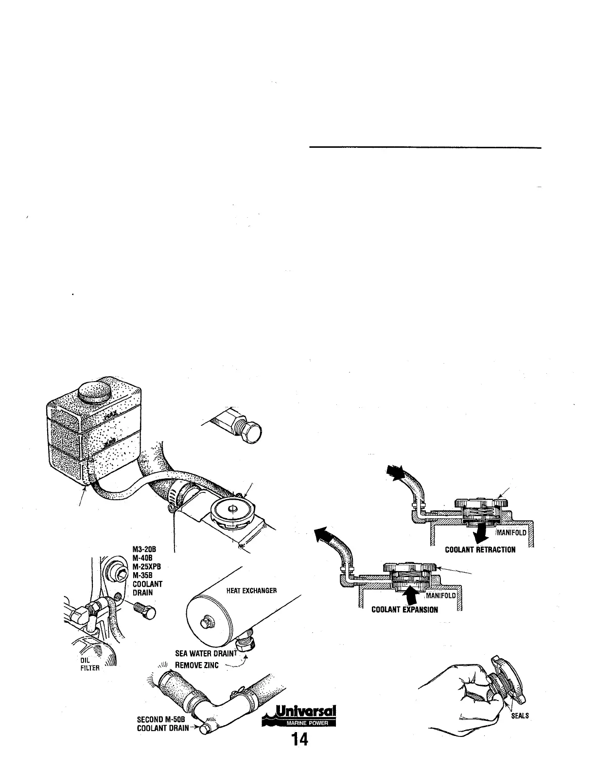
Universal M-35B - ENGINE COOLING CIRCUIT; To Refill With Coolant

Default Icon
54 pages
Print Icon
To Next Page IconTo Next Page
To Next Page IconTo Next Page
To Previous Page IconTo Previous Page
To Previous Page IconTo Previous Page
Loading...



 

 
  
   
 
    



 
  


 
  

 




  
 









 


P  
 

   


 
 
 
 
  
 
   
 

 
   







   
   



    

C
R Y
 
OM COO
RECOR Y TA NK

/


 
   
 

 


Related product manuals