EasyManua.ls Logo

urmet domus Audio Two - WIRING DIAGRAMS

urmet domus Audio Two
24 pages
Print Icon
To Next Page IconTo Next Page
To Next Page IconTo Next Page
To Previous Page IconTo Previous Page
To Previous Page IconTo Previous Page
Loading...
6
−−−−
sec.5
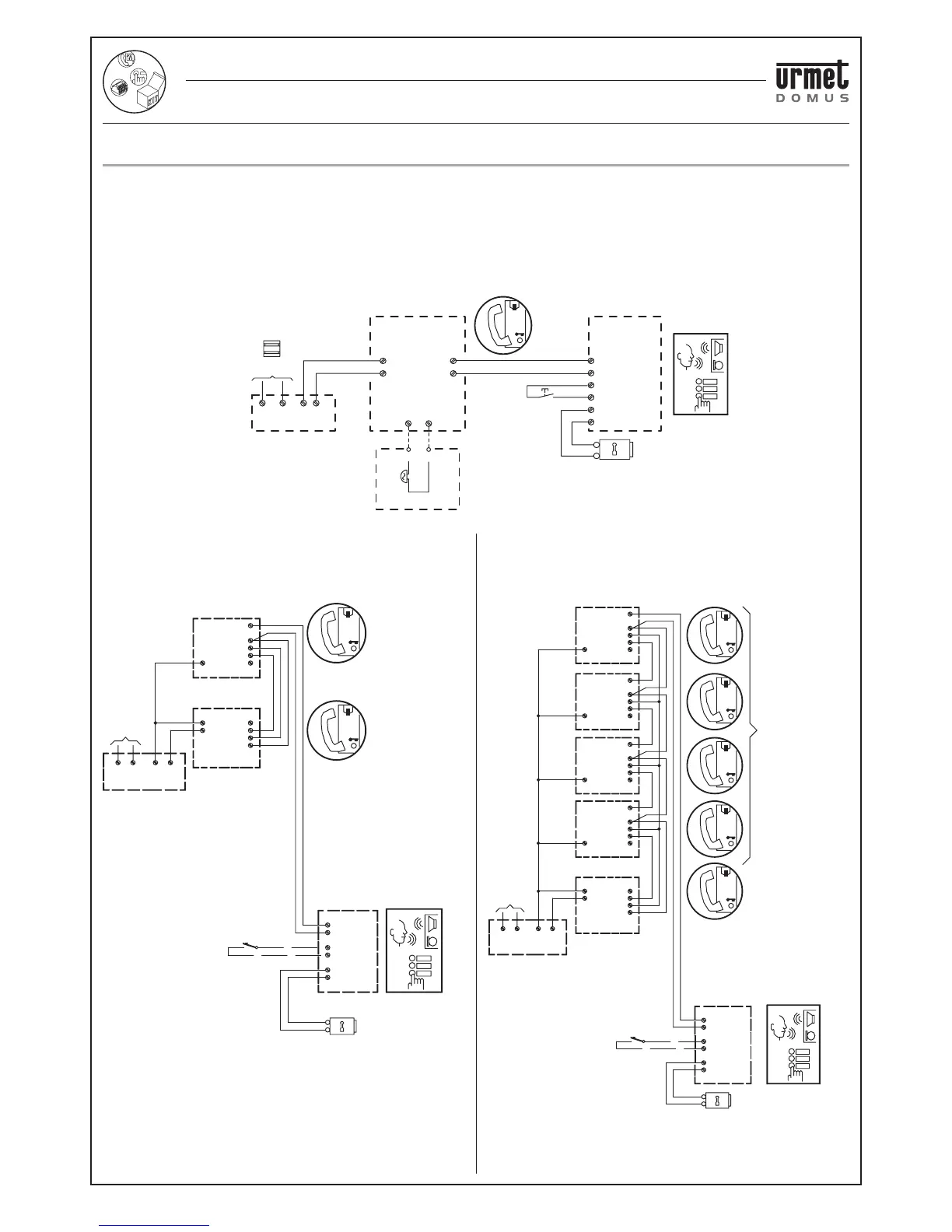
ONE-FAMILY AND TWO-FAMILY KITS
DOOR PHONE AND VIDEO DOOR PHONE SYSTEM: Product Technical Manual
CONNECTION OF A SUPPLEMENTARY DOOR PHONE IN
PARALLEL TO A MAIN DOOR PHONE IN A ONE-FAMILY 2-WIRE
AUDIO KIT
SC101-1308A
WIRING DIAGRAMS
NOTE: a total of up to 5 devices (1 main door phone and 4 door phones Ref.1129/51, or 2 door phones Ref.1129/51 with 2 supplementary ringers
Ref. 9854/41) may be installed.
The supplementary ringers Ref.9854/41 must be connected to terminals S+, S-. The ringers connected to terminals S+ and S- of the main
door phone are connected to the main door phone calling volume trimmer while the ringers connected to the supplementary door phones
Ref. 1129/51 will always ring at the maximum possible volume.
CONNECTION OF ONE FAMILY 2-WIRE AUDIO KIT WITH AN ADDITIONAL RINGER
˜ ˜
˜
12
0
12
0
S- S+
2
1
2
1
SE1
SE2
AP1
AP2
K Z
Mains~
Transformer
Door phone
Ref.1129/110
Electric lock
12Vca-15VA
Door
release
button
Door speaker unit
Ref.1129/112
Additional
ringer
Ref.9854/41
‘AUDIO TWO’ DOOR PHONE KIT WITH SMYLE PANEL
WIRING DIAGRAMS
Lock
release
Electric lock
Door phone
Ref.1129/51
Door phone
Ref.1129/110
Transformer
Mains~
Panel
Ref.1129/112
SE1
SE2
2
1
AP2
AP1
~~
~12
~0
2
1
S-
S+
12
0
12 S-
S+
1
2C
2
1
2
3
4
12 S-
1
2C
S+
2
SE1
SE2
2
1
AP2
AP1
~~
~12
~0
12 S-
1
2
2C
S+
12 S-
1
2
2C
S+
1
S-12
02
S+
12 S-
1
2
2C
S+
Door phone
Ref.1129/51
Door phone
Ref.1129/110
Lock
release
Electric
lock
Panel
Ref.1129/112
Transformer
Mains~
CONNECTION OF 4 SUPPLEMENTARY DOOR PHONES IN
PARALLEL TO A MAIN DOOR PHONE IN A ONE-FAMILY 2-WIRE
AUDIO KIT
SC101-1309A
‘AUDIO TWO’ DOOR PHONE KIT WITH SMYLE PANEL

Related product manuals