EasyManua.ls Logo

USSC Forester 3500 - Factory Built Chimney

USSC Forester 3500
20 pages
Print Icon
To Next Page IconTo Next Page
To Next Page IconTo Next Page
To Previous Page IconTo Previous Page
To Previous Page IconTo Previous Page
Loading...
9
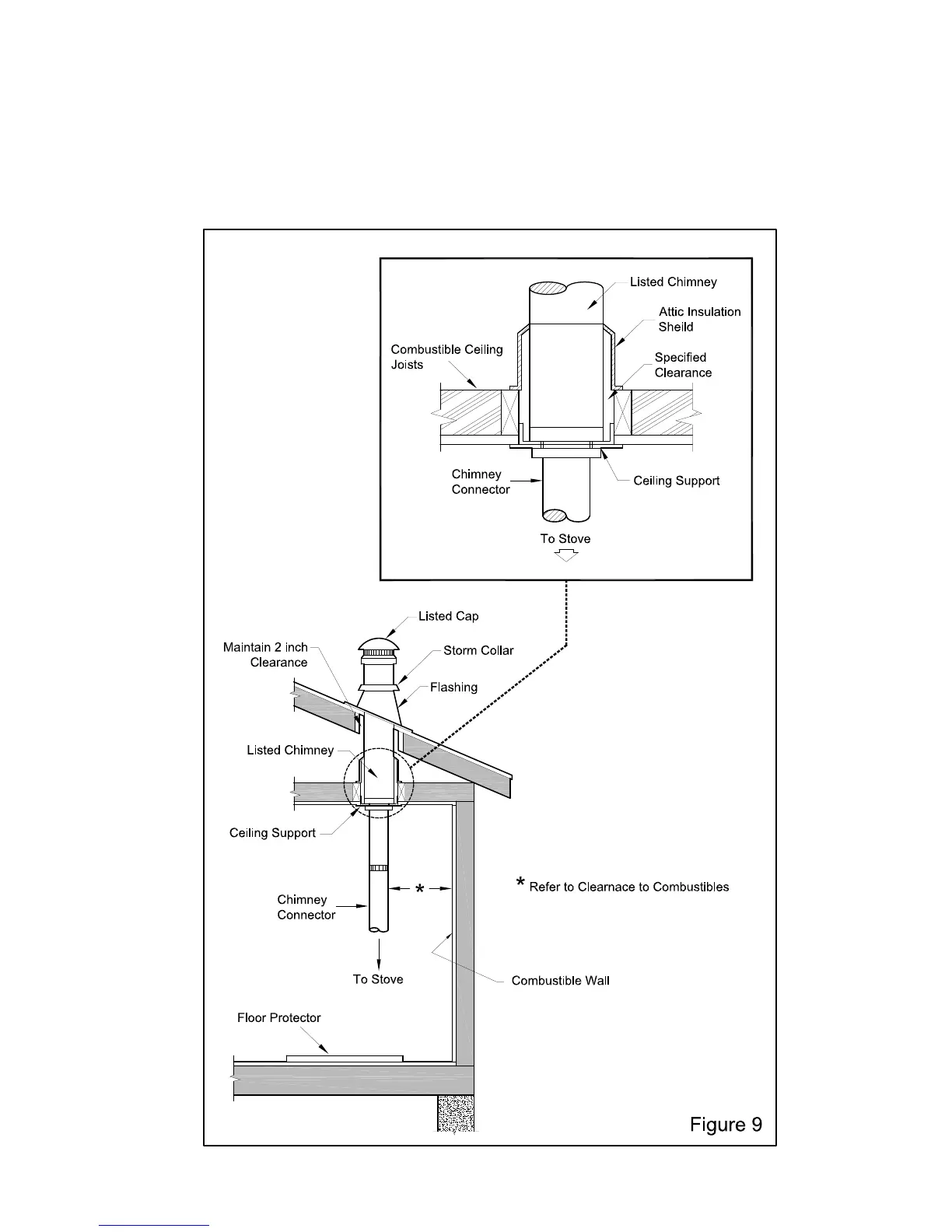
When a metal prefabricated chimney is used, the manufacturer’s installation instructions must be
followed. You must also purchase (from the same manufacturer) and install the ceiling support
package or wall pass-through and “T” section package, restops (where needed), insulation shield,
roof ashing, chimney cap, etc. Maintain proper clearance to the structure as recommended by the
manufacturer. The chimney must be the required height above the roof or other obstructions for
safety and proper draft operation.
Factory Built Chimney

Related product manuals