EasyManua.ls Logo

Vaillant 824/2 E - Wiring Diagrams

Vaillant 824/2 E
98 pages
Print Icon
To Next Page IconTo Next Page
To Next Page IconTo Next Page
To Previous Page IconTo Previous Page
To Previous Page IconTo Previous Page
Loading...
Supplied By www.heating spares.co Tel. 0161 620 6677
11 Diagrams
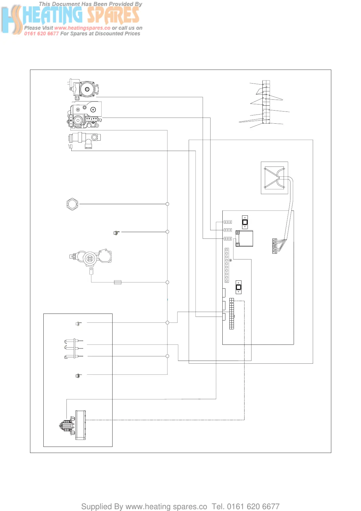
Instructions for Installation and Servicing turboMAX plus and thermoCOMPACT R150
Wiring diagram: turboMAX plus 824/2 E, 828/2 E, 837 E
Fig. 11.3: Wiring diagram VUW
Switchgear cabinet
U100
X3
T 2
= F1
T 1,25
= F3
X2
X2
X1
24
23
1
12
13
14
15
16
17
18
19
20
21
22
2
3
4
5
6
7
8
9
10
11
4
3
2
1
X2
NTC
NTC
Warmstart
earth
Ionisation
electrode
NTC
flow
NTC
return
Lifting magnet
24
23
1
12
13
14
15
16
17
18
19
20
21
22
2
3
4
5
6
7
8
9
10
11
Fan unit
Ignition
electrodes
Gas valveDiverter valveAir pressure switch
NTC Warmstart
Ionisation
electrode
Pump
NTC return
12
EV1
EV2
34
X8X4 (VUV)
X12
X14 X13
79 L 48N35
X7 Accessories
NTC flow
Aqua
sensor
Aqua
sensor
Pressure sensor
X20
Coding resistor
(837 E only)

Table of Contents

Related product manuals