EasyManua.ls Logo

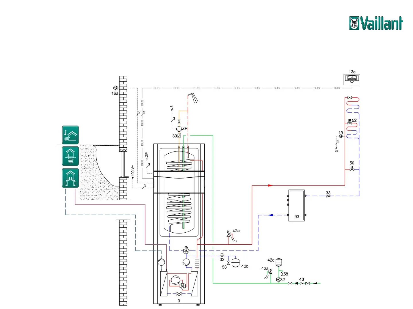
Vaillant multiMATIC 700 - System Diagram 8; Standard heat pump system, auxiliary heater requires pump of heat pump, monoenergy

Vaillant multiMATIC 700
13 pages
Print Icon
To Next Page IconTo Next Page
To Next Page IconTo Next Page
To Previous Page IconTo Previous Page
To Previous Page IconTo Previous Page
Loading...
No responsibility is taken for the correctness and completeness of this information
- Date 05/2015
Standard heat pump system, auxiliary heater requires pump of heat pump, monoenergy (DHW by heat
pump and auxiliary heater or simple hybrid system (DHW by boiler only)
(System diagram = 8, no VR 70)
6
System diagram 8

Related product manuals