EasyManua.ls Logo

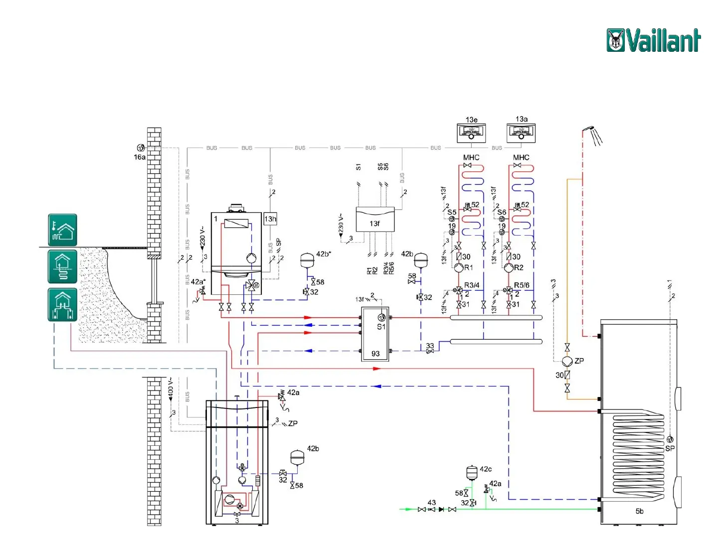
Vaillant multiMATIC 700 - System Diagram 9; Simple hybrid system, auxiliary heater does not require pump of heat pump, DHW by boiler only

Vaillant multiMATIC 700
13 pages
Print Icon
To Next Page IconTo Next Page
To Next Page IconTo Next Page
To Previous Page IconTo Previous Page
To Previous Page IconTo Previous Page
Loading...
No responsibility is taken for the correctness and completeness of this information
- Date 05/2015
Simple hybrid system, auxiliary heater does not require pump of heat pump, DHW by boiler only
(System diagram = 9, VR 70 configuration = 5)
7
System diagram 9

Related product manuals