EasyManua.ls Logo

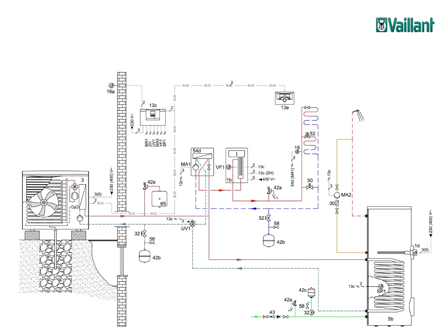
Vaillant multiMATIC 700 - System Diagram 10; Heat pump system with heat exchanger, auxiliary heater requires heat exchanger pump, monoenergy

Vaillant multiMATIC 700
13 pages
Print Icon
To Next Page IconTo Next Page
To Next Page IconTo Next Page
To Previous Page IconTo Previous Page
To Previous Page IconTo Previous Page
Loading...
No responsibility is taken for the correctness and completeness of this information
- Date 05/2015
Heat pump system with heat exchanger, auxiliary heater requires heat exchanger pump, monoenergy
(DHW only by heat pump) (System diagram = 10, no VR 70)
8
System diagram 10

Related product manuals