EasyManua.ls Logo

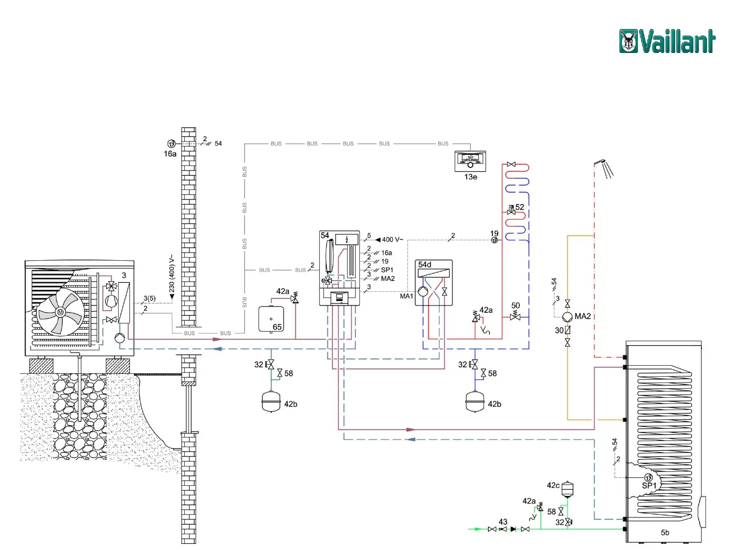
Vaillant multiMATIC 700 - System Diagram 11; Standard heat pump system with heat exchanger, auxiliary heater requires pump of heat pump, mono-energy

Vaillant multiMATIC 700
13 pages
Print Icon
To Next Page IconTo Next Page
To Next Page IconTo Next Page
To Previous Page IconTo Previous Page
To Previous Page IconTo Previous Page
Loading...
No responsibility is taken for the correctness and completeness of this information
- Date 05/2015
Standard heat pump system with heat exchanger, auxiliary heater requires pump of heat pump, mono-
energy (DHW by heat pump and auxiliary heater) (System diagram = 11, no VR 70)
9
System diagram 11

Related product manuals