EasyManua.ls Logo

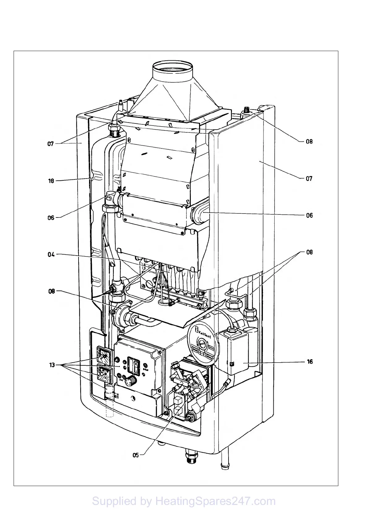
Vaillant thermocompact vu 142/1 e - General View Sheets VC 110 T, XT

Vaillant thermocompact vu 142/1 e
162 pages
Print Icon
To Next Page IconTo Next Page
To Next Page IconTo Next Page
To Previous Page IconTo Previous Page
To Previous Page IconTo Previous Page
Loading...
4 Subject to alteration
General view sheets VC 110 T, XT
Supplied by HeatingSpares247.com

Table of Contents

Related product manuals