EasyManua.ls Logo

VALPAR VCWS14 - Wiring Diagram Models from 1974 to 1985

Default Icon
15 pages
Print Icon
To Next Page IconTo Next Page
To Next Page IconTo Next Page
To Previous Page IconTo Previous Page
To Previous Page IconTo Previous Page
Loading...
9
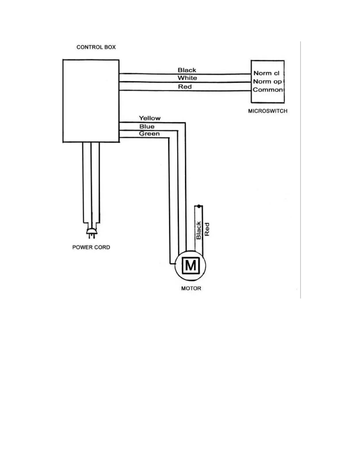
Wiring Diagram
MODELS FROM 1974 TO 1985
Figure 14.2