EasyManua.ls Logo

VALPRO VP29S-HC - Page 18

VALPRO VP29S-HC
28 pages
Print Icon
To Next Page IconTo Next Page
To Next Page IconTo Next Page
To Previous Page IconTo Previous Page
To Previous Page IconTo Previous Page
Loading...
Service and Installation Manual
18 For warranty service, call 1-888-VALPRO8 / 1-813-502-0300
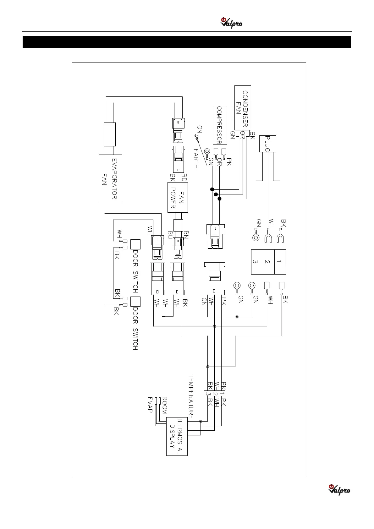
WIRING DIAGRAM
MODEL:VPUCR48/VPUCR60