EasyManua.ls Logo

VALPRO VP29S-HC - Page 17

VALPRO VP29S-HC
28 pages
Print Icon
To Next Page IconTo Next Page
To Next Page IconTo Next Page
To Previous Page IconTo Previous Page
To Previous Page IconTo Previous Page
Loading...
Service and Installation Manual
For warranty service, call 1-888-VALPRO8 / 1-813-502-0300 17
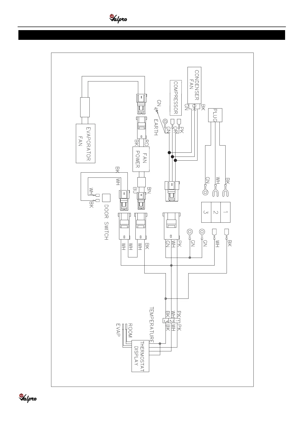
WIRING DIAGRAM
MODEL:VPUCR27