EasyManua.ls Logo

VALPRO VP29S-HC - Page 16

VALPRO VP29S-HC
28 pages
Print Icon
To Next Page IconTo Next Page
To Next Page IconTo Next Page
To Previous Page IconTo Previous Page
To Previous Page IconTo Previous Page
Loading...
Service and Installation Manual
16 For warranty service, call 1-888-VALPRO8 / 1-813-502-0300
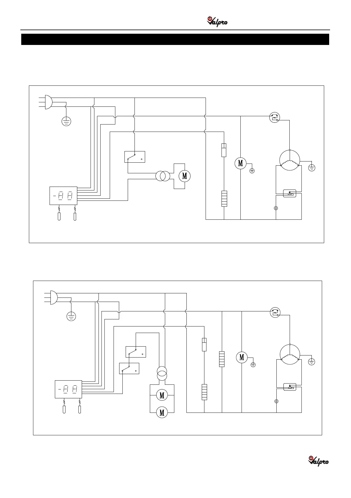
WIRING DIAGRAM
MODEL:VPUCF48/VPUCF60
PLUG
THERMOSTAT DISPLAY
ROOM
EVAP
SENSOR
CONDENSEN
FAN
THERMAL
CUT-OFF
DEFROST HEATER
OVERLOAD
PROTECTOR
COMPRESSOR
CURRENT
RELAY
STARTING
CAPACITOR
MIDDLE FRAME HEATER
FAN
POWER
EVAP
FAN
DOOR
SWITCH
N
L
PLUG
THERMOSTAT DISPLAY
ROOM
EVAP
SENSOR
CONDENSEN
FAN
THERMAL
CUT-OFF
DEFROST HEATER
OVERLOAD
PROTECTOR
COMPRESSOR
CURRENT
RELAY
STARTING
CAPACITOR
FAN
POWER
EVAP
FAN
DOOR
SWITCH
N
L
MODEL:VPUCF27