EasyManua.ls Logo

Varec 6700 - Page 14

Varec 6700
74 pages
Print Icon
To Next Page IconTo Next Page
To Next Page IconTo Next Page
To Previous Page IconTo Previous Page
To Previous Page IconTo Previous Page
Loading...
Liquid Level Indicator
6 Installation and Operations Manual
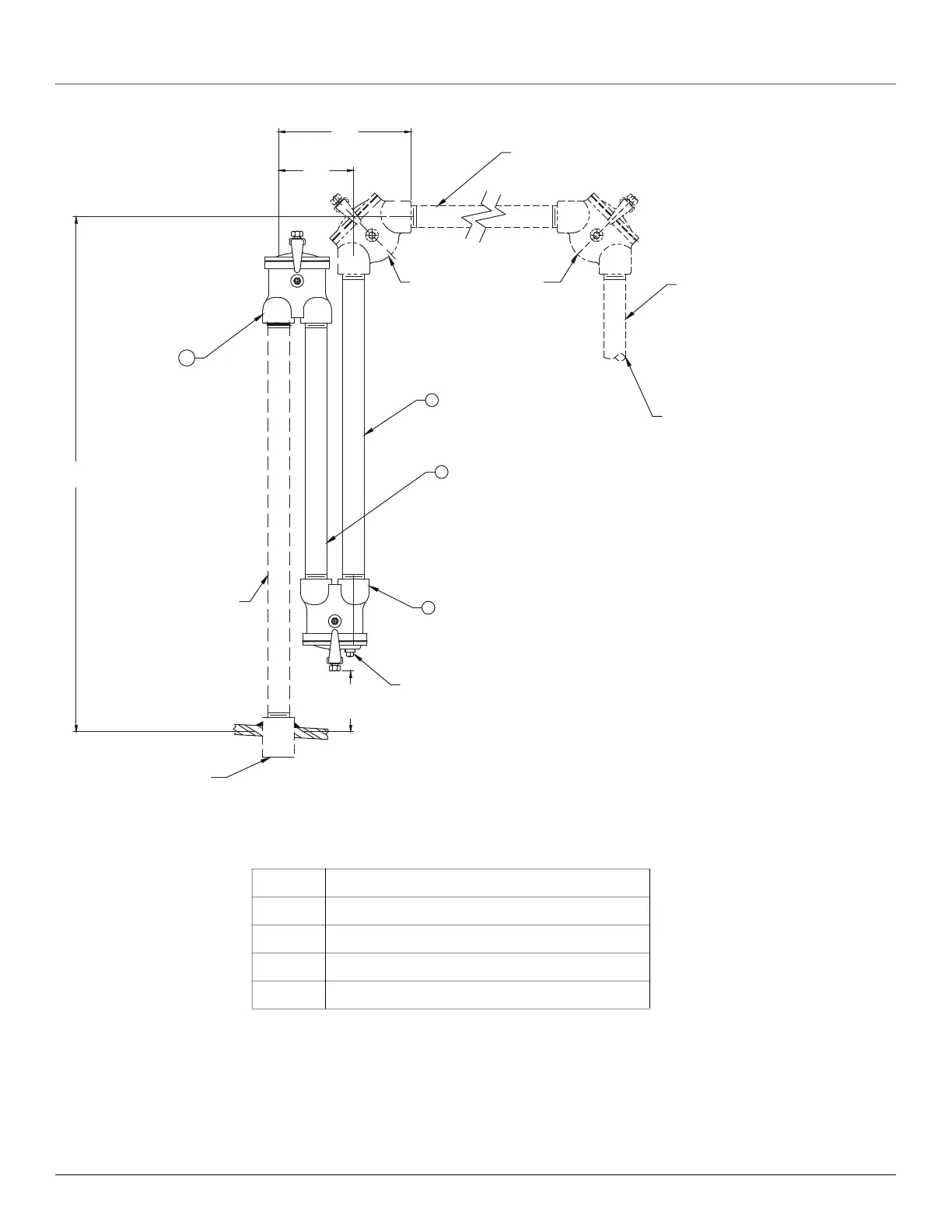
Figure 4: Oil Seal, 27-inch Water Column Operating Pressure Model
2
1-1/2 NPT COUPLING
(BY CUSTOMER)
1-1/2 PIPE X 43 [1092]
LONG NPT BOTH ENDS
(BY CUSTOMER)
4.00
[102]
APPROXIMATE
53.00
[1346]
1-1/2 NPT PIPE
(BY CUSTOMER)
1
10.52
[267]
6.00
[152]
90° ELBOWS FURNISHED
WITH LEVEL INDICATOR KIT
3
4
1/2 NPT DRAIN PLUG
1-1/2 NPT PIPE
(BY CUSTOMER)
TO GAUGEBOARD
OR GAUGEHEAD
Table 4: Parts for Oil Seal, 27-inch Water Column
Item No. Description
1 180
° Elbow
2 Pipe, 1-1/2 x 38 [965], NPT Ends (Long)
3 Pipe, 1-1/2 x 32 [813], NPT Ends (Short)
4 180
° Elbow with Drain

Table of Contents