EasyManua.ls Logo

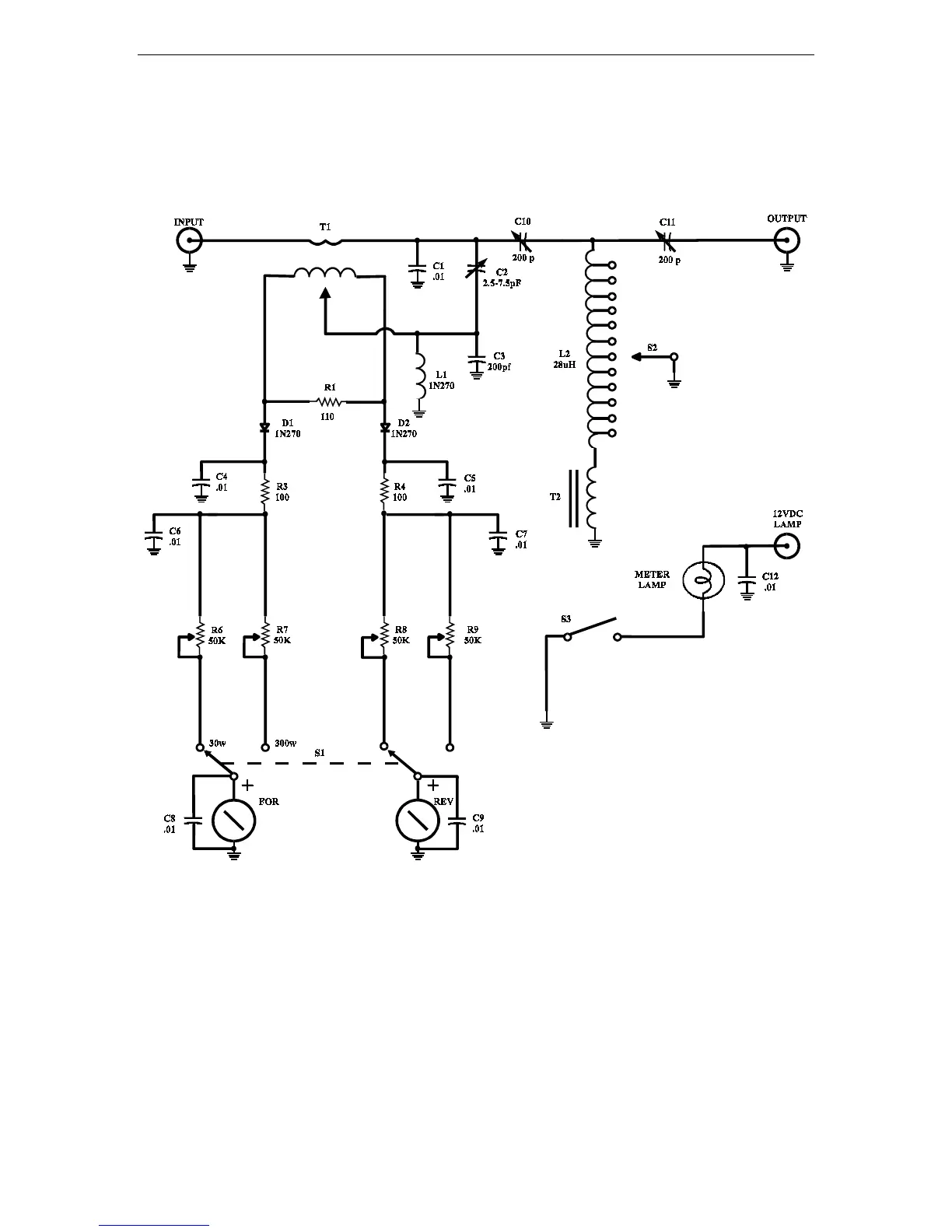
Vectronics VC-300M - Schematic Diagram

Default Icon
8 pages
Print Icon
To Next Page IconTo Next Page
To Next Page IconTo Next Page
To Previous Page IconTo Previous Page
To Previous Page IconTo Previous Page
Loading...
VC-300M Antenna Tuner Owner's Manual
7
SCHEMATIC DIAGRAM
MODEL VC-300M

Related product manuals