EasyManua.ls Logo

Venmar 6LC - Page 29

Venmar 6LC
60 pages
Print Icon
To Next Page IconTo Next Page
To Next Page IconTo Next Page
To Previous Page IconTo Previous Page
To Previous Page IconTo Previous Page
Loading...
29
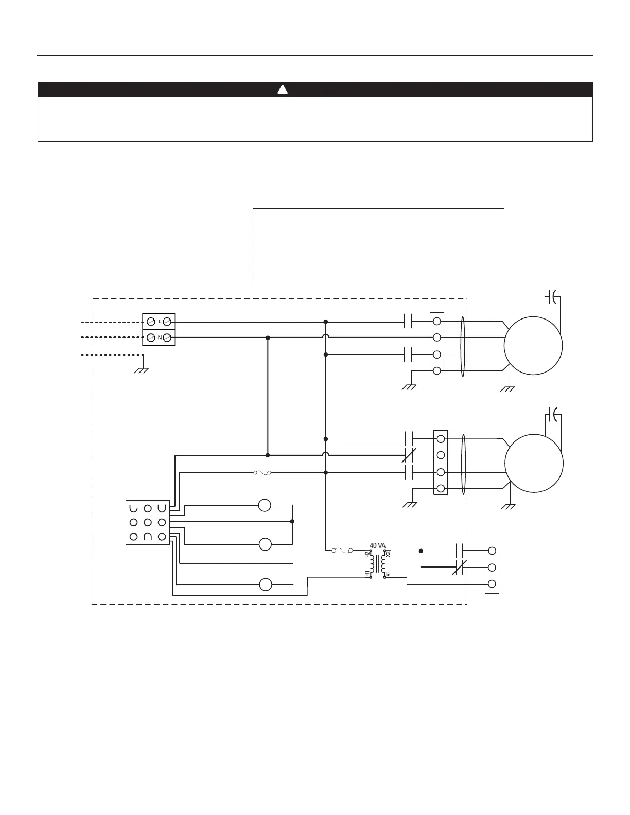
Appendix H (contd)
WIRING DIAGRAMS
LO W
COM
HIGH
GND
R
CN2
BK
LINE
NEUTRAL
J1.1
J1.3
J1.4
J1.8
K2
J1.6
K1
R
WH/R
BK/Y
BK
WH
K3
J1.9
BK/R
J1.2
J1
F1
F2
CN4
X1
K3-2
K3-2
WH/BL
BK
M2
(Supply)
Main Electrical Enclosure
G/Y
G
GND
TB1
K2-1
K1-1
WH
LO W
COM
HIGH
GND
R
CN3
M1
(Exhaust)
G/Y
K2-1
K1-1
1
2
3
4
1
2
3
4
K3-1
BK
1
2
3
BL
WH/R
O
BK/R
7000 - Recirculation Defrost (cont’d)
LOGIC DIAGRAM
BK
BK/R
BK/Y
BL
BN
G
G/Y
O
R
WH
WH/BL
WH/R
WH/Y
Y
BLACK
BLACK/RED
BLACK/YELLOW
BLUE
BROWN
GREEN
GREEN/YELLOW
ORANGE
RED
WHITE
WHITE/BLUE
WHITE/RED
WHITE/YELLOW
YELLOW
WIRING COLOR CODE
BN
BN
BN
BN
G/Y
G/Y
BK
123
456
9 78
120 VAC FIELD
WIRING
Ref: 1107008_REV-A
VE0465A
J1.5
BK
BK
BK
BK
BK
WH
WH
BK/Y
WH/BL
BK/Y
WH
BK
BK
BK
WARNING
Risk of electric shocks. Before performing any maintenance or servicing, always disconnect the unit from its power source.
This product is equipped with an overload protection (fuse). A blown fuse indicates an overload or a short-circuit situation. If
the fuse blows, disconnect the unit from its power source. Discontinue using the unit and contact technical support.
!